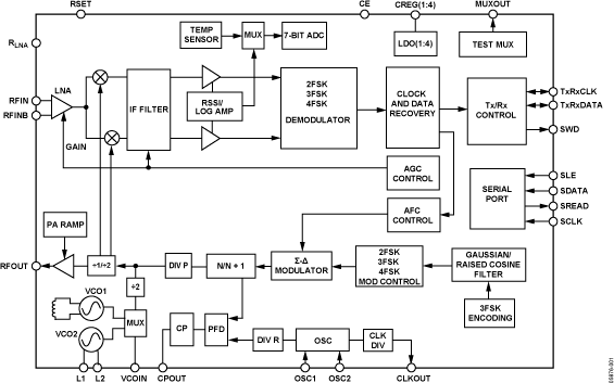
ADF7021BCPZ是一款低功耗\高度集成的2FSK/3FSK/4FSK收发器.该器件可在窄带\免执照ISM频段以及80 MHz至650 MHz和862 MHz至940 MHz频率范围的特许执照频段内工作.该器件具有高斯和升余弦两种数据滤波选项,用以改善窄带应用的频谱效率.
它适合符合以下标准或法规的电路应用:欧洲ETSI EN 300-220标准\日本ARIB-T67标准\中国近程设备管理法规以及北美FCC Part 15\Part 90和Part 95监管标准.ADF7021只需少量外部分立器件便可构建一个完整的收发器,因此非常适合对价格和电路板面积敏感的应用.
发射部分包含一个电压控制振荡器(VCO)和一个输出分辨率<1 ppm的低噪声小数N分频PLL.借助快速变频PLL,ADF7021可用于跳频\扩频(FHSS)系统.VCO采用两倍基频工作,减少杂散发射和频率牵引问题.发射机输出功率可在−16 dBm到+13 dBm之间分63个步幅编程并拥有自动功率斜坡控制功能,以避免频谱杂散并有助于满足法规标准.收发器射频频率\通道间隔和调制都可以利用简单的三线式接口来编程.该器件采用2.3 V至3.6 V电源供电,支持关断功能.
接收机采用低中频架构(100 kHz),不仅功耗较低\外部元件数较少,而且可避免低频时的干扰问题.中频滤波器具有12.5 kHz\18.75 kHz和25 kHz的可编程带宽.ADF7021支持各种可编程特性,包括接收的线性度\灵敏度和中频带宽,用户可根据具体应用在接收机灵敏度和选择度与功耗之间进行取舍.接收机还拥有正在申请专利的自动频率控制(AFC)环路,捕捉范围可编程,允许PLL跟踪输入信号中的频率误差.
片内ADC提供集成温度传感器\外部模拟输入\电池电压和RSSI信号的回读,因而在某些应用中可减少ADC开销.温度传感器在−40°C至+85°C的整个工作温度范围内精度达到±10°C.在室温下进行1点校准并将结果存储在存储器内可提高此精度.

特性
低功耗\高性能\窄带收发器
频段:
80-650MHz和862-940MHz
调制方式:2FSK\3FSK\4FSK
频谱整形方式:
高斯和升余弦滤波
自动PA斜坡
支持的数据速率:
0.05 kbps至25 kbps
可编程输出功率:
-16dBm至+13dBm
低中频架构,可编程中频带宽:12.5/18.5/25kHz
2.3V至3.6V电源供电
接收机灵敏度:
-123dBm (1kbps FSK)
全自动频率控制环路(AFC)补偿容差较低的晶振
高精度数字RSSI和集成Tx/Rx开关