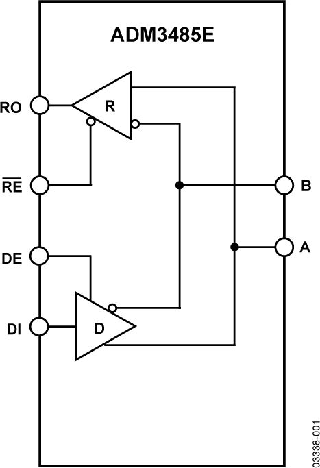
ADM3485E是一款3.3 V低功耗数据收发器,提供±15 kV ESD保护,适用于多点总线传输线路的半双工通信.该器件针对平衡数据传输而设计,符合TIA/EIA标准RS-485和RS-422.ADM3485E是半双工收发器,驱动器和接收器共用差分线路,但各自具有独立的使能输入.
该器件具有12 kΩ接收器输入阻抗,允许一条总线最多连接32个收发器.由于任一时间仅使能一个驱动器,因此禁用或关断驱动器的输出处于三态,避免总线过载.
接收器具有故障安全特性,当输入浮地时,可确保输出保持逻辑高状态.热关断电路可防止总线竞争或输出短路导致功耗过大.
该器件的额定温度范围为工业温度范围,提供8引脚窄体SOIC封装.

特性
符合TIA/EIA RS-485/RS-422标准
RS-485输入/输出引脚提供±15 kV ESD保护
数据速率:12 Mbps
半双工收发器
总线上最多32个节点
接收器开路故障安全设计
低功耗关断模式
禁用或关断时输出处于高阻抗状态
共模输入范围:-7 V至+12 V
热关断和短路保护
工业标准75176引脚排列
8引脚窄体SOIC封装
应用
- 功率/电能计量
- 电信
- 对电磁辐射敏感的工业控制系统
- 局域网