ADS1294\ADS1296\ADS1298 (ADS129x) 和 ADS1294R\ADS1296R\ADS1298R (ADS129xR) 是多通道同步采样
24 位 Δ-Σ 模数转换器 (ADC) 系列,内置有可编程增益放大器 (PGA)\内部基准以及板载振荡器.ADS129x 和 ADS129xR 包含 医疗心电图 (ECG) 和脑电图 (EEG) 应用中通常所需的全部 功能中,该值必须保持在最低水平.凭借高集成度和出色性能,ADS129x 和 ADS129xR 能够以大幅缩小的尺寸\显著降低的功耗和整体成本开发可扩展的医疗仪器系统.
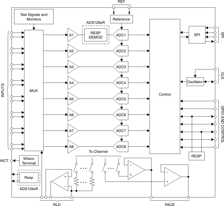
ADS129x 和 ADS129xR 的每个通道都有一个灵活的输入复用器 (mux),此复用器能够独立连接至内部生成的信号以进行测试\温度\和导联断开检测.此外,可选择输入通道的任一配置生成右腿驱动 (RLD) 输出信号.ADS129x 和 ADS129xR 工作数据速率高达 32kSPS,因此可实现软件起搏检测.可通过上拉/下拉电阻或激励电流阱/电流源在器件内部实现导联断开检测.3个集成放大器用于生成标准 12 导联 ECG 所需的威尔逊中心终端 (WCT) 和戈德伯格中心终端 (GCT).ADS129xR 版本包含全集成呼吸阻抗测量功能.可在高通道数系统中采用菊花链配置串联多个 ADS129x 和 ADS129xR 器件.
封装选项包括微型 8mm × 8mm\
64 焊球 BGA 与 TQFP-64 封装.ADS129x BGA 版本的商业级额定温度范围为 0°C 至 70°C.ADS129xR BGA 和 ADS129x TQFP 版本的工业级额定温度范围为 -40°C 至 +85°C.

特性
8 个低噪声可编程增益放大器 (PGA) 和 8 个高分辨率模数转换器 (ADC)(ADS1298,ADS1298R)
低功耗:每通道 0.75mW
输入引入噪声:4µVPP(150Hz 带宽 (BW),G = 6)
输入偏置电流:200pA
数据速率:250SPS 至 32kSPS
共模抑制比 (CMRR):–115dB
可编程增益:1\2\3\4\6\8 或 12
支持满足 AAMI EC11\EC13\IEC60601-1\IEC60601-2-27 和 IEC60601-2-51 标准的系统
单极或双极电源:
AVDD = 2.7V 至 5.25V
DVDD = 1.65V 至 3.6V
内置右腿驱动放大器\导联断开检测\威尔逊中心终端\起搏检测\测试信号
集成型呼吸阻抗测量
数字起搏检测功能
内置振荡器与基准
SPI™ 兼容串口