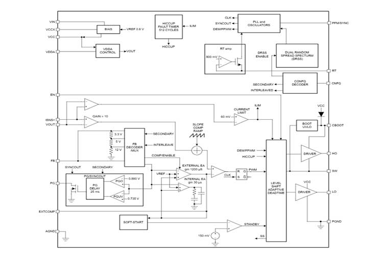
LM5148RGYR是一款 80V 超低 I Q 同步降压直流/直流控制器,适合高电流单输出应用.该控制器使用峰值电流模式控制架构,可实现简单环路补偿\快速瞬态响应和出色的负载和线路调节性能. LM5148 可设置为以交错模式(并联输出)运行,实现精确的电流共享,适合高电流应用.它可在低至 3.5V 的输入电压和接近 100% 的占空比(如果需要)下运行.
LM5148RGYR具有一种独特的 EMI 降低特性,称为双随机展频 (DRSS).将低频三角调制与高频随机调制相结合,可分别在低频和高频频带上降低 EMI 干扰.此项混合技术符合业界通用的 EMC 测试中指定的多种分辨率带宽 (RBW) 设置.
LM5148RGYR的其他特性包括 150°C 最大工作结温\可在轻负载条件下降低电流消耗的用户可选二极管仿真功能\用于故障报告和输出监控的开漏电源正常标志\精密使能输入\单调启动至预偏置负载\集成 VCC 偏置电源稳压器\3ms 内部软启动时间和带自动恢复功能的热关断保护.
LM5148RGYR控制器采用 3.5mm × 5.5mm 热增强型 24 引脚 VQFN 封装,该封装.

特性
功能安全型
有助于进行功能安全系统设计的文档
集成式 EMI 缓解
可选双随机展频 (DRSS) 特性,可在低频和高频频带上增强 EMI 降低性能
针对 CISPR 32 B 类要求进行了优化
多功能同步降压直流/直流控制器
宽输入电压范围为 3.5V 至 80V
1% 精度\固定 3.3V/5V/12V 或 0.8V 至 55V 可调输出电压
150°C 最大结温
无损 DCR 或分流电流检测
关断时的静态电流为 2.3µA(典型值)
9.5µA 低漏电流
3ms 的内部软启动斜坡
最多可堆叠两个相位
内部自举二极管
开关频率范围为 100kHz 至 2.2MHz
同步输入和同步输出功能
可选 PFM 或 FPWM 模式
固有保护特性,可实现稳健设计
内部断续模式过流保护
使能和 PGOOD 功能
VCC\VDDA 和栅极驱动 UVLO 保护
内部或外部环路补偿
具有迟滞功能的热关断保护