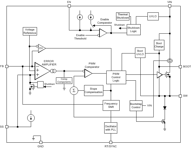
LMR14030SDDAR是一款具有集成式高侧 MOSFET 的 40V\3.5A 降压稳压器.该器件具有 4V 至 40V 的宽输入范围,适用于从工业到汽车各类应用中非稳压电源的电源调节.该稳压器在睡眠模式下的静态电流为 40µA,非常适合电池供电型系统.它在关断模式下具有 1µA 的超低电流,可进一步延长电池使用寿命.该稳压器的可调开关频率范围较宽,这使得效率或外部元件尺寸能够得到优化.内部环路补偿意味着用户不用承担设计环路补偿组件的枯燥工作.并且还能够以最大限度减少器件的外部元件数.利用精密使能端输入可以简化稳压器控制和系统电源时序.此外,该器件还内置多种保护特性:逐周期电流限制保护\应对功耗过大的热感测和热关断保护\以及输出过压保护.

特性
输入电压范围:4V 至 40V
3.5A 持续输出电流
40µA 超低工作静态电流
90mΩ 高侧 MOSFET
75ns 最短导通时间
电流模式控制
可调节开关频率范围:200kHz 至 2.5MHz
与外部时钟频率同步
内置补偿功能,便于使用
支持高占空比运行
精密使能输入
关断电流:1µA
外部软启动
过热保护\过压保护和短路保护
采用 PowerPAD™ 的 8 引脚 HSOIC 封装