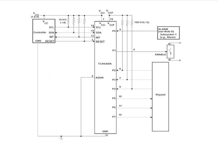
TCA6408A 是一款 16 引脚器件,可为两线双向 I2C 总线(或 SMBus)协议提供 8 位通用并行输入/输出 (I/O) 扩展.在器件运行过程中,I2C 总线侧 (VCCI) 和 P 端口侧 (VCCP) 均可由电压介于 1.65V 至 5.5 V 之间的电源供电.这使得 TCA6408A 能够在 SDA/SCL 侧(在这里,电源电平正在降低以节省电力)与下一代微处理器和微控制器相连接.与微处理器和微控制器的电源电压不断走低不同,有些 PCB 组件(例如 LED)仍然需要使用 5V 电源.
该器件支持 100kHz(标准模式)和 400kHz(快速模式)时钟频率.当开关\传感器\按钮\LED\风扇等设备需要额外使用 I/O 时,I/O 扩展器(如 TCA6408A)可提供简易解决方案.

特性
I2C 至并行端口扩展器
工作电源电压范围为 1.65 V 至 5.5 V
支持 1.8V\2.5V\3.3V 和 5V I2C 总线和 P 端口之间进行双向电平转换和 GPIO 扩展
1µA 的低待机流耗
可耐受 5V 电压的 I/O 端口
400kHz 快速 I2C 总线
硬件地址引脚,允许在同一 I2C/SMBus 总线上支持两个 TCA6408A 器件
低电平有效复位 (RESET) 输入
开漏低电平有效中断 (INT) 输出
输入和输出配置寄存器
极性反转寄存器
内部上电复位
加电时所有通道均被配置为输入
加电时无干扰
SCL 和 SDA 输入端装有噪声滤波器
具有最大高电流驱动能力的锁存输出,适用于直接驱动 LED
闩锁性能超过 100mA,符合 JESD 78 II 类规范的要求
施密特触发操作支持在 SCL 和 SDA 输入端实现缓慢输入转换并提升开关噪声抗扰度
ESD 保护性能超出 JESD 22 标准
2000V 人体放电模型 (A114-A)
1000V 充电器件模型 (C101)