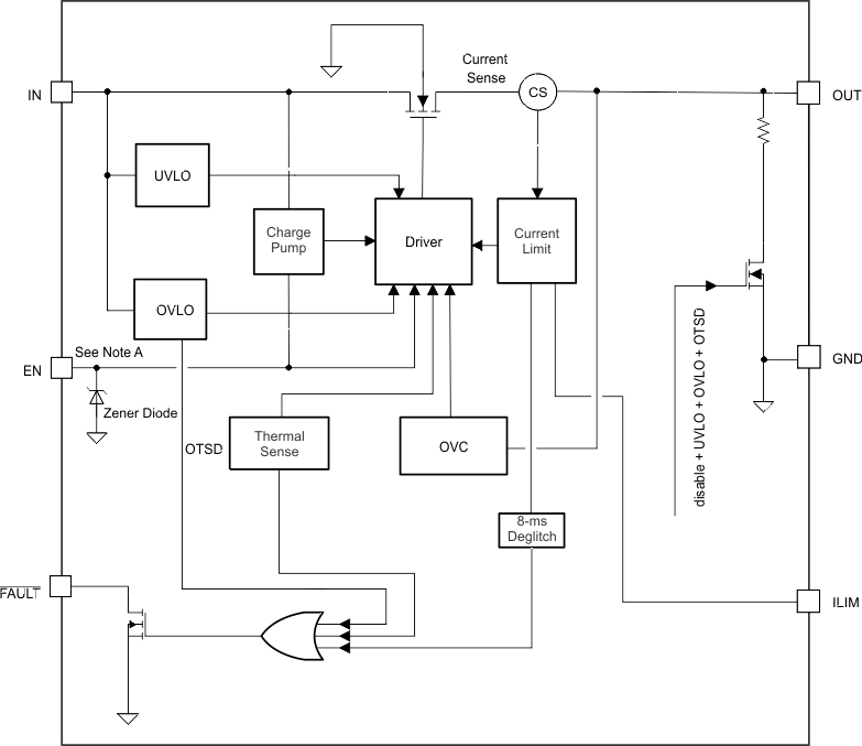
TPS25200DRVR是一款具有精密电流限制和过压钳位的 5V 电子保险丝.该器件可在过压和过流事件期间为负载和源提供强大保护.
TPS25200DRVR是一款智能受保护的负载开关,其 VIN 可耐受 20V 电压.如果在 IN 施加了不正确的电压,输出电压将钳位到 5.4V 以保护负载.如果 IN 处的电压超过 7.6V,器件会断开负载,以防止损坏器件和/或负载.
TPS25200DRVR具有一个内部 60mΩ 电源开关,用于在各种异常情况下保护电源\器件和负载.该器件支持高达 2.6A 的连续负载电流.可通过单个接地电阻在 85mA 至 2.9A 范围内对电流限制进行编程.当发生过载时,输出电流被限制在由 RILIM 设定的电流值上如果发生持续过载,器件最终会进入热关断状态,以防止损坏 TPS25200.

特性
工作电压为 2.5V 至 6.5V
输入可耐受高达 20V 的电压
7.6V 输入过压关断
5.25V 至 5.55V 固定过压钳位
0.6µs 过压锁定响应
3.5µs 短路响应
集成式 60mΩ 高侧 MOSFET
高达 2.6A 的持续负载电流
2.9A 电流下的限流精度为 ±6%
禁用时反向电流阻断
内置软启动
与 TPS2553 引脚对引脚兼容
通过 UL 2367 认证
文件编号 169910
RILIM ≥ 33kΩ(最大值 3.12A)