TPS2546RTER是一款集成有 USB 2.0 高速数据线路 (D+/D-) 开关的 USB 充电端口控制器和电源开关.TPS2546 可在 D+/D– 上提供电气信号,从而为下列出的充电方案提供支持.TI 使用 TPS2546 对常用的移动电话\平板电脑以及媒体设备进行充电测试,以确保其既与符合 BC1.2 的器件兼容也与不符合 BC1.2 的器件兼容.
除了支持对常用设备进行充电,TPS2546 还支持两种不同的电源管理 功能,分别为电源唤醒和端口电源管理 (PPM)(通过 STATUS 引脚实现).电源唤醒可在 S4/S5 充电过程中实现电源控制,而 PPM 能够在多端口应用中管理端口电源.此外,TPS2546 完全支持带有鼠标/键盘(适用于低速和高速)的系统唤醒(从 S3 唤醒).
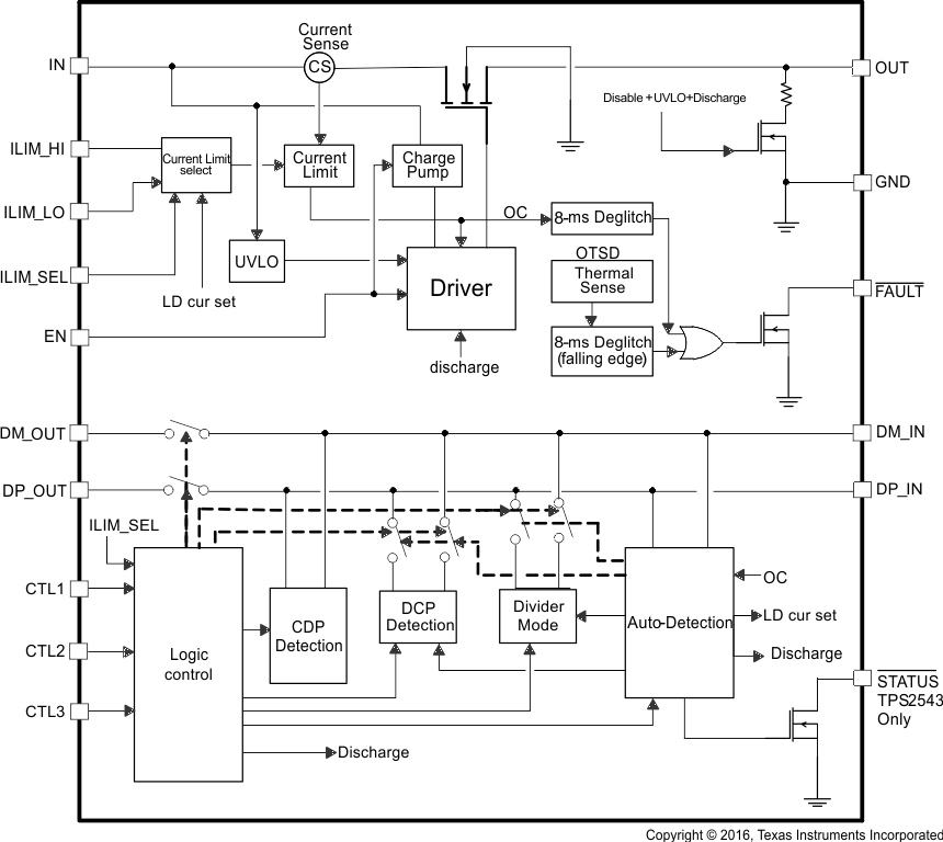
TPS2546RTER 73mΩ 配电开关专门用于 可能 面临高容性负载和短路问题的应用.凭借两个可编程电流阈值,该器件可灵活设置电流限值和负载检测阈值.

符合 USB 电池充电规范 1.2 的 D+/D– CDP/DCP 模式
符合中国电信行业标准 YD/T 1591-2009 的
D+/D– 短路模式
通过自动选择以下模式支持非 BC1.2 充电模式:
D+/D– 分压器模式(2V/2.7V 和 2.7V/2V)
D+/D– 1.2V 模式
支持休眠模式充电和鼠标/键盘唤醒
自动 SDP/CDP 切换(针对不接到 CDP 端口的器件)
负载检测(针对 S4/S5 充电过程中的电源控制以及所有充电模式下的端口电源管理)
兼容 USB 2.0 和 3.0 电源开关要求
集成 73mΩ(典型值)高侧金属氧化物半导体场效应晶体管 (MOSFET)
可调节的电流限制,最高可达 3A(典型值)
工作电压范围:4.5V 至 5.5V
最大器件电流:
当器件被禁用时为 2µA
当器件被启用时为 270µA
与 TPS2543 可互相插接且 BOM 兼容
采用 16 引脚 WQFN (3.00mm × 3.00mm) 封装
DM/DP 引脚上的静电放电 (ESD) 额定值达 8kV
已通过 UL(文件编号:E169910)和 CB 认证
应用
USB 端口(主机和集线器)
笔记本和台式机
通用墙式充电适配器