TPS27081ADDCR是一款高侧负载开关,此开关在微封装内集成了一个功率 PFET 和一个控制 NMOS.
TPS27081ADDCR在所有引脚上特有业界标准 ESD 保护,从而提供与其它板载组件更好的 ESD 兼容性.
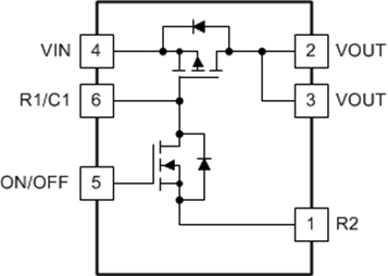
TPS27081ADDCR可将开/关逻辑信号的电平转换为 VIN 电平,并且支持低至 1.0V 的 CPU 或 MCU 逻辑以在不需要外部电平位移器的前提下控制更高电压的电源.
通过一个快速开/关逻辑信号来开启大值输出电容器有可能导致过多的涌入电流. 为了控制负载涌入电流,如所示,连接一个电阻器 R2. 可增加一个外部电容器 C1 来进一步限制涌入电流. 要配置 TPS27081A 以获得一个特定的转换率,请参考应用信息一节.
无需对涌入电流进行控制的待机电源开关应用需要一个单一上拉电阻器 R1. 在此类应用中,将 TPS27081A 引脚 R2 连接至系统接地.

特性
低导通电阻,高电流 PFET
VGS = –4.5V 时,R导通 = 32mΩ
VGS = –3.0V 时,R导通 = 44mΩ
VGS = –1.8V 时,R导通 = 82mΩ
VGS = –1.5V 时,R导通 = 93mΩ
VGS = –1.2V 时,R导通 = 155mΩ
通过外部 R1,R2 和 C1 实现的可调打开和关闭转换率控制
支持 1.2V 到高达 8V 的宽范围电源输入
用于 PFET 控制的集成 NMOS
NMOS 打开/关闭支持 1.0V 至高达 8.0V 的宽范围控制逻辑接口
完全静电放电 (ESD) 保护(所有引脚)
人体模型 (HBM) 2kV,充电器件模型 (CDM) 500V
待机模式下的超低泄漏电流(典型值 100nA)
采用微型 6 引脚封装
2.9mm x 2.8mm x 0.75mm 薄型小外形尺寸晶体管 (SOT)-23 (DDC) 封装
应用范围
高侧负载开关
涌入电流控制
电源排序和控制
待机电源隔离
便携式电源开关