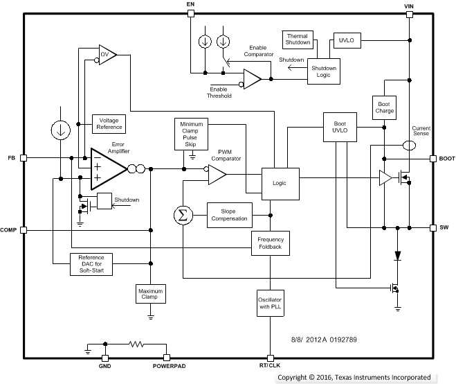
TPS54360BDDAR是一款具有集成型高侧 MOSFET 的 60V\3.5A 降压稳压器.它采用电流模式控制,可实现简单的外部补偿和灵活的组件选择.低纹波脉冲跳跃模式可将无负载电源电流减小至 146µA.当启用引脚被拉至低电平时,关断电源电流被减少至 2µA.
欠压闭锁在内部设定为 4.3V,但可用使能引脚将之提高.该器件可在内部控制输出电压启动斜坡,从而控制启动过程并消除过冲.
宽开关频率范围可实现对效率或者外部组件尺寸的优化.频率折返和热关断功能在过载情况下保护内部和外部组件不受损坏.
TPS54360B 采用 8 引脚热增强型 HSOIC PowerPAD™封装.

特性
输入电压范围 4.5V 至 60V(绝对最大值 65V)
3.5A 持续电流\4.5A 最低峰值电感器电流限制
电流模式控制直流/直流转换器
92mΩ 高侧金属氧化物半导体场效应晶体管 (MOSFET)
轻负载条件下使用脉冲跳跃实现的高效率 Eco-mode.™
轻负载条件下使用集成型引导 (BOOT) 再充电场效应晶体管 (FET) 实现的低压降
146µA 静态工作电流
2µA 关断电流
100kHz 至 2.5MHz 的固定开关频率
同步至外部时钟
可调欠压闭锁 (UVLO) 电压和滞后
内部软启动
精确逐周期电流限制
过热\过压和频率折返保护
0.8V 1% 内部电压基准
8 引脚 HSOIC PowerPAD™封装
-40°C 至 150°C TJ 运行范围
使用 TPS54360B 并借助 WEBENCH® 电源设计器创建定制设计方案