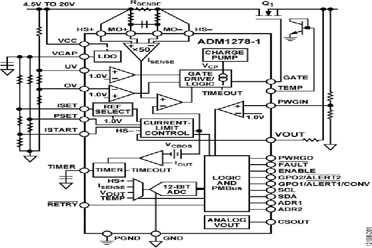
ADM1278-1ACPZ-RL是一款热插拔控制器,允许将电路板插入带电背板或从带电背板移除. 该器件还集成12位模数转换器(ADC),可通过PMBus™接口来进行电流\电压和功率回读. 负载电流利用内部电流检测放大器测量,通过HS+引脚和HS−引脚测量电源路径内检测电阻两端的电压. 默认电流限值设置为20 mV,如果需要,可通过内部基准电压源至ISET引脚的电阻分压器网络对该限值进行调整.
ADM1278-1ACPZ-RL通过GATE引脚控制电源路径中外部N沟道FET的栅极电压,从而限制流经检测电阻的电流, 检测电压及负载电流维持在预设最大值以下. ADM1278通过限制FET保持开启(电流处于最大值时)的时间保护外部FET, 该限流时间通过选择连接至TIMER引脚的电容来设置. 此外,上电和故障期间,MOSFET的功耗由一个恒定的功率折返方案控制. 此功率水平和TIMER调节时间可以设置为适当的值,确保MOSFET始终在安全工作区(SOA)限值以内. 可编程启动电流限值还可实现dv/dt上电.
短路时,快速内部过流检测器在320 ns内作出响应,通知栅极关断, 1500 mA下拉器件可确保快速FET响应.
ADM1278提供过压(OV)和欠压(UV)保护,其阈值通过UV和OV引脚上的外部电阻分压器设置. 如果使用PWGIN引脚来监控输出,PWRGD信号可用于检测输出电源何时有效.
12位ADC可测量检测电阻内的电流\HS+引脚上的电源电压\输出电压以及外部NPN器件的温度. PMBus接口允许控制器读取来自ADC的数据. 根据两个ADRx引脚的连接方式,最多可选择16个唯一的I2C地址.
ADM1278采用32引脚LFCSP封装,并具有一个RETRY引脚,该引脚可配置为在发生过流故障时自动重试或锁定.

特性
精度达到±0.3%,支持通过12位ADC进行 IOUT\VIN\VOUT和温度回读
短路响应时间:320 ns
检测到FET不良时关断
恒定功率折返支持更严密的FET SOA保护
远端温度检测,带有可编程警告和关断阈值
通过电阻编程在5 mV至25 mV VSENSE进行电流限制
可编程启动电流限制
UV\OV和PWRGD阈值精度:1%
独立的热插拔和电源监控器输入允许附加外部ADC滤波
持续报告功率和能耗
用于电流\电压和功率的峰值检测寄存器
PROCHOT功率调节功能
PMBus快速模式兼容接口
5 mm x 5 mm\32引脚LFCSP
应用
服务器
电源监控和控制/功率预算
电信与数据通信设备