ADS1015IDGSR是采用\无引线 X2QFN-10\SOT-10 和 VSSOP-10 封装,兼容 I2C 的 12 位低功耗精密模数转换器 (ADC).ADS101x 采用了低漂移电压基准和振荡器.ADS1014 和 ADS1015 还包含一个可编程增益放大器 (PGA) 和一个数字比较器.除了这些特性,这些器件还具有宽工作电源电压范围,因而非常适用于功率受限型和空间受限型传感器测量应用.
ADS1015IDGSR可在数据速率高达 33008 个样本/秒 (SPS) 的情况下执行转换.PGA 可提供从 ±256mV 到 ±6.144V 的输入范围,从而实现精准的大小信号测量.ADS1015 具有一个输入多路复用器 (MUX),可实现双路差分输入或四路单端输入测量.在 ADS1014 和 ADS1015 中使用数字比较器可进行欠压和过压检测.

特性
超小型封装:
X2QFN:1.5mm × 2mm × 0.4mm
SOT:2.9mm × 2.8mm × 0.6mm
无噪声分辨率:12 位
宽电源电压范围:2.0V 至 5.5V
低电流消耗:150µA(连续转换模式)
可编程数据速率:128SPS 至 3.3kSPS
单周期稳定
内部低漂移电压基准
内部振荡器
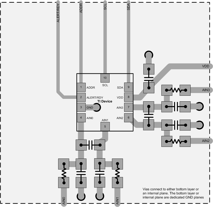
I2C 接口:四个引脚可选地址
工作温度范围:-40°C 至 +125°C
器件系列:
ADS1013:1 个单端 (SE) 或差分 (DE) 输入
ADS1014:1 个单端或差分输入,具有比较器和 PGA
ADS1015:4 个单端输入或 2 个差分输入,具有比较器和 PGA