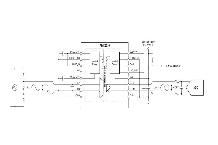
AMC3330DWER是一款具有完全集成的隔离式直流/直流转换器的精密隔离式放大器,能实现器件低侧的单电源运行.该增强型电容隔离层通过了 DIN EN IEC 60747-17 (VDE 0884-17) 和 UL1577 标准认证,将以不同共模电压电平运行的系统各部分隔开,并保护低压域免受损坏.
AMC3330DWER的输入针对直接连接高阻抗电压信号源(例如电阻分压器网络)的情况进行了优化,以感应高压信号.集成式隔离直流/直流转换器可测量非接地信号,并使该器件成为嘈杂空间受限应用的独特解决方案.
该器件性能出色,支持进行精确的电压监控.AMC3330 的集成直流/直流转换器故障检测和诊断输出引脚可简化系统级设计和诊断.
AMC3330DWER的额定工作温度范围为 -40°C 至 +125°C.

特性
3.3V 或 5V 单电源运行,具有集成直流/直流转换器
±1V 输入电压范围,针对使用高输入阻抗的电压测量进行了优化
固定增益:2.0
低直流误差:
增益误差:±0.2%(最大值)
增益漂移:±45ppm/°C(最大值)
失调电压误差:±0.3mV(最大值)
失调电压温漂:±4µV/°C(最大值)
非线性度:±0.02%(最大值)
高 CMTI:85kV/µs(最小值)
系统级诊断功能
安全相关认证:
符合 DIN EN IEC 60747-17 (VDE 0884-17) 的 6000VPK 增强型隔离
4250VRMS 隔离,符合 UL1577 标准且持续时长为 1 分钟
符合 CISPR-11 和 CISPR-25 EMI 标准