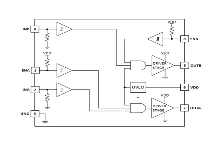
UCC27524AQDRQ1器件是一款双通道\高速\低侧栅极驱动器器件,能够有效驱动 MOSFET 和 IGBT 电源开关.UCC27524A-Q1 器件是 UCC2752x 系列的一个型号.为了增加稳定耐用性,UCC27524A-Q1 器件在输入引脚上增加了直接处理 –5V 电压的能力.UCC27524A-Q1 器件是一款双路非反相驱动器.使用能够从内部大大降低击穿电流的设计,UCC27524A-Q1 器件能够将高达 5A 拉电流和 5A 灌电流的高峰值电流脉冲传送到容性负载,此器件还具有轨到轨驱动能力和典型值为 17ns 的超小传播延迟.除此之外,此驱动器特有两个通道间相匹配的内部传播延迟,这一特性使得此驱动器非常适合于诸如同步整流器等对于双栅极驱动有严格时序要求的应用.这还使得两个通道可以并联,以有效地增加电流驱动能力或者使用一个单一输入信号驱动两个并联开关.输入引脚阈值基于 TTL 和 CMOS 兼容的低压逻辑,此逻辑是固定的且与 VDD 电源电压无关.高低阈值间的宽滞后提供了记好的抗噪声性能.
出于保护目的,当输入引脚处于悬空状态时,UCC27524A-Q1 期间的输入引脚上的内部上拉和下拉电阻器确保输出被保持在低电平.UCC27524A-Q1 器件特有使能引脚(ENA 和 ENB)以更好地控制此驱动器应用的运行.针对高电平有效逻辑,这些引脚被内部上拉至 VDD 并可针对标准运行而保持断开.
UCC27524AQDRQ1器件采用 SOIC-8 (D) 以及带有外露焊盘的 VSSOP-PowerPAD-8 (DGN) 封装.

特性
符合汽车应用要求
具有符合 AEC-Q100 标准的下列特性
器件温度 1 级
业界通用引脚排列
两个独立的栅极驱动通道
5A 峰值拉电流和灌电流
针对每个输出提供独立的使能功能
TTL 和 CMOS 兼容型逻辑阈值(与电源电压无关)
实现高噪声抗扰度的迟滞逻辑阈值
能够在输入端处理负电压 (–5V)
输入和使能引脚电压电平不受 VDD 引脚辅助电源电压限制
4.5V 至 18V 单电源电压范围
在 VDD 欠压锁定 (UVLO) 状态下,输出保持低电平(确保上电和断电期间无干扰运行)
短暂传播延迟(典型值为 17ns)
快速上升和下降时间(典型值分别为 6ns 和 10ns)
2 个通道之间的延迟匹配典型值为 1ns
能够并联两个高驱动电流输出
当输入浮动时,输出保持低电平
SOIC-8 和 VSSOP-8 PowerPAD™ 封装选项
工作温度范围为 –40°C 至 150°C