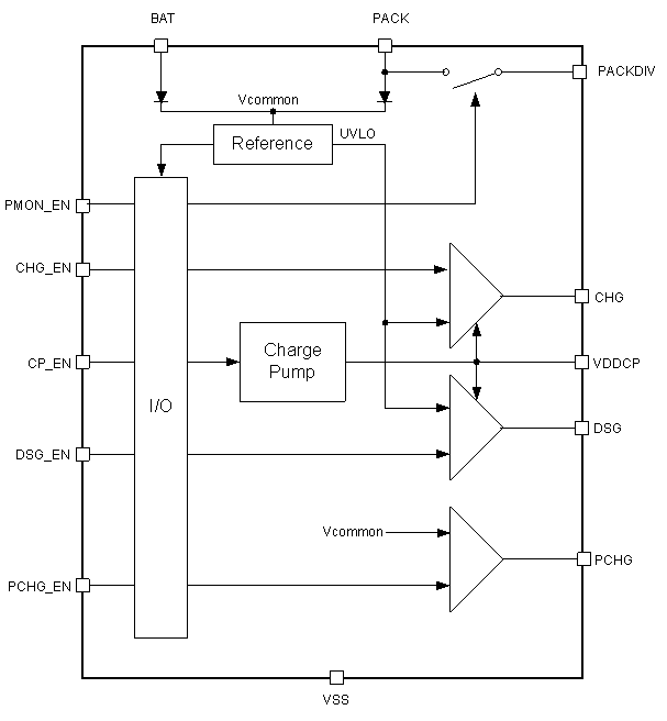
bq76200 器件是一款低功耗\高侧 N 沟道系统. 高侧保护可防止系统的接地引脚断开连接,同时允许电池组与主机系统之间进行持续通信. 该器件的附加 P 沟道 FET 控制功能支持对深度耗尽型电池进行低电流预充电,其 PACK+ 电压监控控制功能支持主机感测 PACK+ 电压.
独立的使能输入允许单独导通和关断 CHG 与 DSG FET,从而提供灵活的电池系统实施方案.
bq76200 器件可与配套的模拟前端器件搭配使用,例如 bq76920/30/40 系列\3 节至 15 节电池模拟前端监控以及主机微控制器或专用的充电状态 (SOC) 跟踪电量监测计器件.

特性
CHG 和 DSG 高侧 N 沟道金属氧化物半导体 (NMOS) 场效应晶体管 (FET) 驱动器,可控制电池保护快速 FET 导通和关断次数
预充电 P 沟道场效应晶体管 (PFET) 驱动器(用于为显著耗尽的电池组进行限流预充电)
独立的数字使能充/放电控制
所需外部组件最少
基于可扩展外部电容的电荷泵,适用于不同范围内的并行 FET
耐受高压(绝对最高电压为 100V)
使能电池组电压感测的内部开关
支持通用和独立的充/放电路径配置
设计为直接与 bq76940\bq76930 和 bq76920 电池监控器搭配使用
电流消耗:
正常模式:40μA
关断模式:< 10µA(最大值)
应用
电动自行车 (eBike)\电动踏板车 (eScooter) 和电动摩托车 (eMotorcycles)
储能系统和不间断电源 (UPS)
便携式医疗系统
无线基站电池系统
铅酸 (PbA) 备用电池
12V 至 48V 电池组