此 TXB0104 4 位同相转换器使用两个独立的可配置电源轨.A 端口旨在跟踪 VCCA.VCCA 电源电压为 1.2V 至 3.6V.B 端口旨在跟踪 VCCB.VCCB 电源电压为 1.65V 至 5.5V.因此可在 1.2V\1.5V\1.8V\2.5V\3.3V 和 5V 电压节点之间进行通用的低电压双向转换.VCCA 不可超过 VCCB.
当 OE 输入为低电平时,所有输出均处于高阻抗状态.为确保在上电或断电期间器件处于高阻抗状态,必须通过一个下拉电阻器将 OE 连接至 GND.该电阻器的最小值由驱动器的电流拉取能力决定.
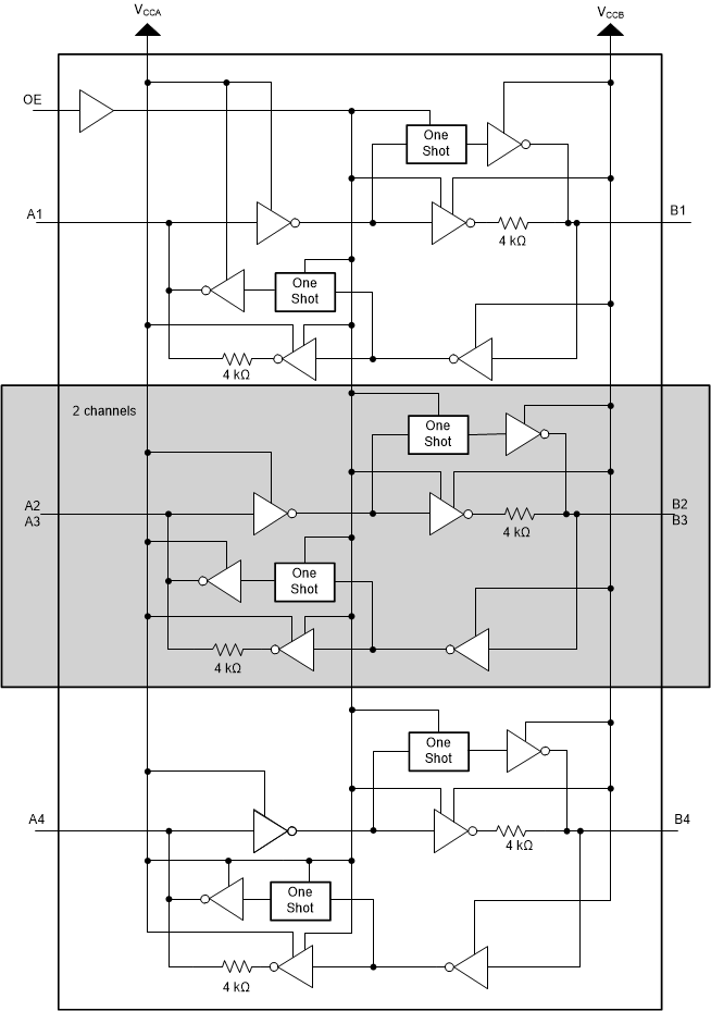
TXB0104 器件被设计成 OE 输入电路由 VCCA 供电.
该器件完全适合使用 IOFF 的局部断电应用.IOFF 电路可禁用输出,以防在器件掉电时电流回流损坏器件.

特性
A 端口支持 1.2V 至 3.6V 电压,B 端口支持 1.65V 至 5.5V 电压 (VCCA ≤ VCCB)
VCC 隔离特性:如果任何一个 VCC 输入接地 (GND),则所有输出都处于高阻抗状态
以 VCCA 为基准的输出使能 (OE) 输入电路
低功耗,ICC 最大值为 5µA
IOFF 支持局部关断模式运行
闩锁效应性能超过 100mA,符合 JESD 78 II 类规范的要求
ESD 保护性能超过 JESD 22 规范要求
A 端口:
2500V 人体放电模型 (A114-B)
1500V 充电器件模型 (C101)
B 端口:
±15kV 人体放电模型 (A114-B)
1500V 充电器件模型 (C101)