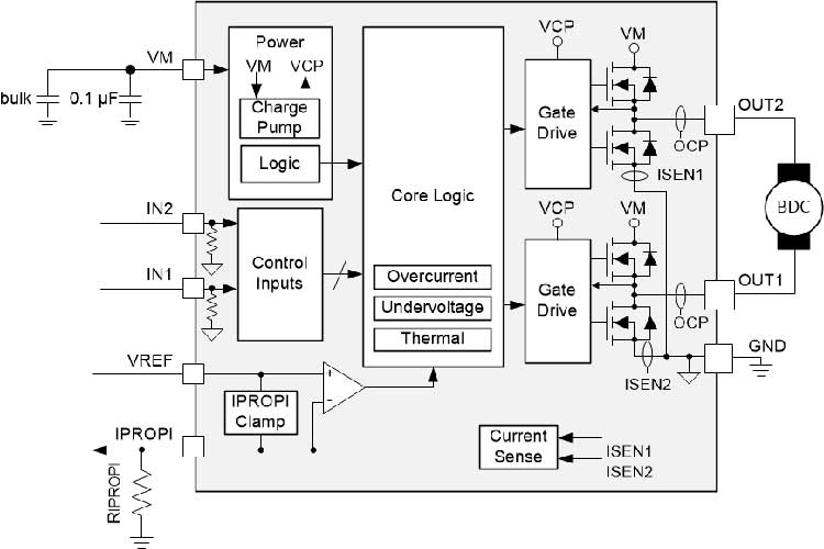
DRV8251ADDAR 器件是一款具有 N 沟道 H 桥\电荷泵\ 电流检测反馈\电流调节和保护电路的集成电机驱动器.电荷泵通过支持 N 沟道 MOSFET 半桥和 100% 占空比驱动提升效率.
IPROPI 引脚上的内部电流镜架构实现电流检测和调节.这样就无需使用大型电源分流电阻,因而可以节省电路板面积并降低系统成本.借助 IPROPI 电流检测输出,微控制器可以检测电机失速或负载条件变化.外部电压基准引脚 VREF 可以确定启动过程和失速事件中电流调节的阈值,而无需微控制器交互.
低功耗睡眠模式可通过关断大部分内部电路实现超低静态电流消耗.内部保护功能包括电源欠压锁定\输出过流和器件过热.
DRV8251A 所属的器件系列具有引脚对引脚\可扩展 R DS(on) 和电源电压选项,可支持不同负载和电源轨,并尽可能减少设计改动.
N 沟道 H 桥有刷直流电机驱动器
4.5V 至 48V 工作电源电压范围
引脚对引脚\R DS(on)\电压和电流检测/调节选项(外部分流电阻器和集成电流镜)
DRV8870:6.5V 至 45V\565mΩ 分流电阻器
DRV8251:4.5V 至 48V\450mΩ 分流电阻器
DRV8251A:4.5V 至 48V\450mΩ 电流镜
DRV8231:4.5V 至 33V\600mΩ 分流电阻器
DRV8231A:4.5V 至 33V\600mΩ 电流镜

特性
高输出电流能力: 4.1A 峰值
PWM 控制接口
支持 1.8V\3.3V 和 5V 逻辑输入
适用于失速检测的集成 IPROPI 电流检测和电流调节
低功耗睡眠模式
在 V VM = 24V,T J = 25°C 时,小于 1µA
小型封装和外形尺寸
带 PowerPAD™ 的 8 引脚 HSOP 封装,4.9mm × 6.0mm
集成型保护特性
VM 欠压锁定 (UVLO)
自动恢复过流保护 (OCP)
热关断 (TSD)