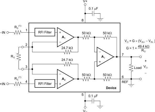
INA826AIDR是一款经济高效的仪表放大器,具有极低的功耗,并可在非常宽的单电源或双电源范围内工作.只需一个外部电阻即可设置 1 到 1000 之间的任意增益.由于其增益漂移极低,最大仅为 35 ppm/°C,因此即使在增益 G > 1 的情况下,该器件也具有出色的温度稳定性.
INA826AIDR经过优化,可在高达 5 kHz 的频率范围内提供超过 100 dB (G = 10) 的出色共模抑制比.当 G = 1 时,从负电源到正电源 1 V 的整个输入共模范围内,共模抑制比均超过 84 dB.INA826 采用轨到轨输出,因此非常适合 3 V 单电源供电的低压应用,以及高达 ±18 V 的双电源供电应用.
附加电路通过将输入电流限制在 8 mA 以下,来保护输入端免受超过电源电压 ±40 V 的过压影响.
INA826AIDR提供 8 引脚 SOIC\VSSOP 和 3 mm × 3 mm 的小型 WSON 表面贴装封装.所有版本的工作温度范围均为 -40°C 至 +125°C.

特性
输入共模范围:包括 V–
共模抑制比:
104 分贝,最小值(G = 10)
5 kHz 时最小值为 100 dB (G = 10)
电源抑制比:100 dB,最小值(G = 1)
低失调电压:150 µV,最大值
增益漂移:1 ppm/°C (G = 1),35 ppm/°C (G > 1)
噪声:18 nV/√ Hz,G ≥ 100
带宽:1 MHz(G = 1),60 kHz(G = 100)
输入保护电压高达±40V
铁路到铁路的输出
供电电流:200 µA
供应范围:
单电源供电:3V 至 36V
双电源供电:±1.5V 至 ±18V
规定温度范围:
-40°C 至 +125°C
封装:8引脚VSSOP\SOIC和WSON