新闻资讯

LM27761DSGR

2026/2/27 11:23:56
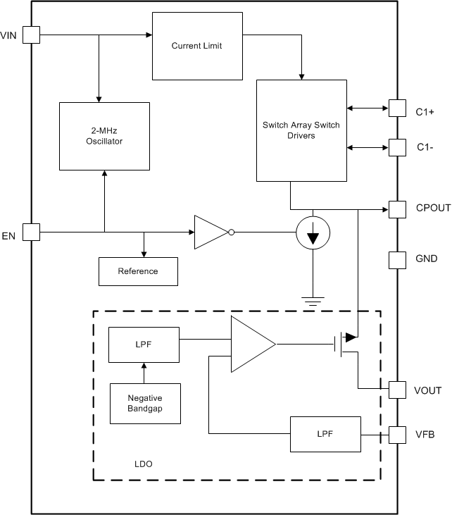
LM27761DSGR低噪声稳压开关电容器电压逆变器可针对 2.7V 至 5.5V 范围内的输入电压提供极低噪声的可调节输出.应用设计中使用了四个低成本电容器来提供高达 250mA 的输出电流.器件的稳压输出可在 −1.5V 至 −5V 之间调节.LM27761 在 2MHz(典型值)开关频率下工作,可减少输出电阻和电压纹波.LM27761 仅具有 370µA 的工作电流(在大多数负载下电荷泵功效大于 80%)和 7µA 典型关断电流,可在驱动功率放大器\DAC 偏置轨以及其他高电流\低噪声电压应用时提供出色的性能.

特性


逆变并调节输入电源电压
低输出纹波
关断会将静态电流降低至 7µA(典型值)
输出电流高达 250mA
2.5Ω 逆变器输出阻抗,VIN = 5V
峰值负载时,调节范围为 ±4%
370µA 静态电流
2MHz(典型值)低噪声固定工作频率
在 2MHz 处,80mA 负载电流为 35dB(典型值)LDO PSRR
100mA 处的 LDO 压降电压为 30mV,VOUT = –5V
电流限制和热保护

PREV:LM5146RGYR

NEXT:TPS82085SILR

Related information