LM5146RGYR100V 同步降压控制器旨在对高输入电压源或会发生高电压瞬变的输入电源轨进行电压调节,从而尽可能地减少对外部浪涌抑制组件的需求.40ns 的高侧开关超短导通时间有助于获得较大的降压比,支持从 48V 标称输入到低电压轨的直接降压转换,从而降低系统的复杂性并减少解决方案成本. LM5146 在输入电压突降至 5.5V 时,仍能根据需要以接近 100% 的占空比继续工作,因此非常适用于 高性能工业控制\机器人\数据通信和射频应用.
强制 PWM (FPWM) 模式运行可以消除开关频率变化从而尽可能地降低 EMI,而用户可选的二极管仿真功能则可以降低轻负载条件下的电流消耗.高达 1MHz 的可调开关频率可同步至外部时钟源,从而消除噪声敏感应用中的拍频.

特性
提供功能安全型
可帮助进行功能安全系统设计的文档
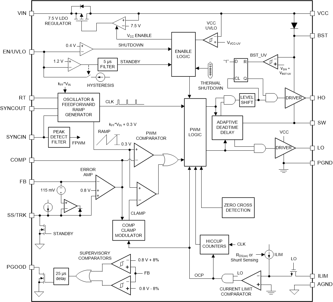
多功能同步降压直流/直流控制器
宽输入电压范围为 5.5V 至 100V
150°C 最大结温
具有 ±1% 反馈精度的 0.8V 基准
可调输出电压范围为 0.8V 至 60V
40ns tON(min),可实现高 VIN/VOUT 比
140ns tOFF(min),可实现低压降
无损 RDS(on) 或分流电流感应
针对 CISPR 11 和 CISPR 32 B 类 EMI 要求进行了优化
开关频率范围为 100kHz 至 1MHz
同步输入和同步输出功能
可选二极管仿真或 FPWM
适用于标准 VTH MOSFET 的 7.5V 栅极驱动器
14ns 自适应死区时间控制
2.3A 拉电流和 3.5A 灌电流能力
快速线路和负载瞬态响应
具有线路前馈的电压模式控制
高增益带宽误差放大器
固有保护特性,可实现稳健设计
可调节输出电压软启动
断续模式过流保护
具有迟滞功能的输入 UVLO
VCC 和栅极驱动 UVLO 保护
精密使能输入和漏极开路 PGOOD 指示器(用于时序和控制)
具有迟滞功能的热关断保护
具有可湿性侧面的 20 引脚 VQFN 封装