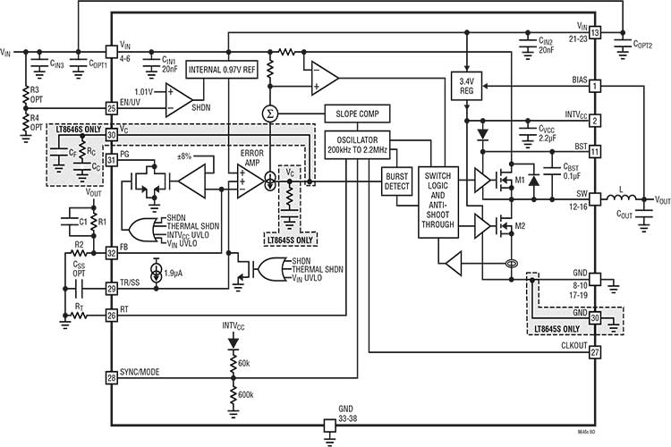
LT8645SEV#PBF同步降压稳压器采用第二代超低噪声开关稳压器架构,较大程度地降低了EMI辐射,同时在高开关频率下提供高效率.其中包含集成旁路电容以优化内部所有快速电流环,并通过消除布局敏感性轻松实现宣传的EMI性能.
快速\干净\低过冲开关边沿即使在高开关频率下也可以实现高效率工作,从而提供小型整体解决方案.具有40ns最短导通时间的峰值电流模式控制,即使在高开关频率下也支持高降压比.LT8646S提供外部补偿,在高开关频率下具有均流和快速瞬态响应性能.
突发工作模式(Burst Mode®)可实现超低待机功耗,跳脉冲模式在较低输出负载下支持全开关频率,或扩频操作可进一步降低EMI辐射.

特性
Silent Switcher® 2 架构
在任何PCB上具有超低EMI辐射
可消除PCB布局敏感性
内部旁路电容可降低辐射EMI
可任选的扩展频谱调制
高频高效率
高达95%效率(1MHz,12VIN至5VOUT时)
高达94%效率(2MHz,12VIN至5VOUT时)
宽输入电压范围:3.4V至65V
超低静态电流突发模式工作
2.5μA(IQ调节电压:12VIN至3.3VOUT)(LT8645S)
输出纹波< 10mVP-P
外部补偿:快速瞬态响应和均流(LT8646S)
最短快速导通时间:40ns
所有条件下均具有低压差:60mV (1A)
可调及可同步频率范围:200kHz至2.2MHz
峰值电流工作模式
输出软启动和跟踪
32引脚6mm × 4mm小型LQFN封装
通过AEC-Q100汽车应用认证
应用
汽车和工业电源
通用降压
GSM 电源