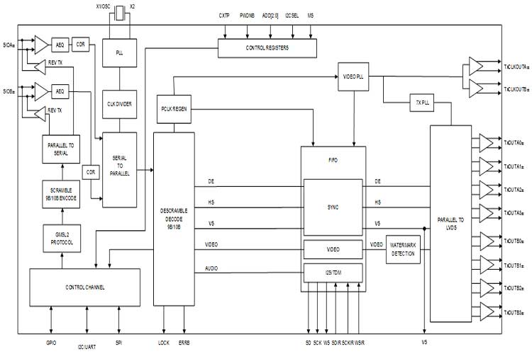
MAX96752FGTN/V+T 解串器可将单链路或双链路 GMSL™ 串行输入转换为单链路或双链路 OLDI.它们还可以发送和接收侧信道和外围设备控制数据,从而实现视频和双向数据的全双工单线传输.
OLDI 输出可配置为单端口(4 或 8 通道)或双端口(2 x 4 通道),以便灵活驱动各种分辨率的显示器.每个端口支持高达 150MHz 的像素时钟频率,在双端口模式下,MAX96752 支持高达 300MHz 的组合像素时钟频率.
GMSL2 并发控制通道可在 I²C 或 UART 模式下工作.此外,还提供两个直通 I²C或UART 通道和一个直通 SPI 通道,用于外设控制.双向音频通道支持 I²S立体声,在 TDM 模式下最多支持 8 个声道.
该产品适用于-40°C至+105°C的汽车级温度范围,并符合AEC-Q100标准.
数据可以通过符合 GMSL2 通道规范的低成本 50Ω 同轴电缆或 100Ω STP 电缆进行传输.

特性
1 x 4\2 x 4 或 1 x 8 OLDI 输出通道配置
3Gbps 或 6Gbps 前向链路速率,以实现系统和电源的灵活性
单线全双工功能
支持高达 300MHz 的 PCLK
支持视频复制和双画面分割,可驱动两台显示器
采用低成本的50Ω同轴电缆或100Ω STP电缆
正向和反向 I2S或7.1 TDM 音频
可选的内部VDD稳压器
ASIL相关功能安全特性
符合ASIL-B标准
控制通道数据( I2C\UART\SPI\GPIO\音频) 的16位CRC保护
检测到错误后,重传所有控制通道数据(I²C \ UART\SPI\GPIO\音频).
可选的 32 位视频行循环冗余校验 (CRC)
可选择中断进行故障检测
视频水印检测
性能工具确保高链路裕度
GMSL链路上的连续自适应均衡
用于串行 I/O 链路误码率测试的前向和反向信道伪随机二进制序列 (PRBS) 生成器和检测器
用于连续链路边缘诊断的令人大开眼界的监测器
用于设备配置和与远程外围设备通信的并发控制通道
I²C \UART\直通式I²C /UART\ SPI以及隧道式或寄存器可编程 GPIO
可设置的优先级
八个硬件可编程设备地址
最多 14 个可编程通用输入/输出 (GPIO)
睡眠模式(带寄存器状态保持)
紧凑型 8mm x 8mm TQFN 封装,带裸露焊盘
应用程序
集群显示器和抬头显示器
中央信息显示屏
后排座椅信息娱乐显示屏