SN65176BDR差分总线收发器旨在实现多点总线传输线路上的双向数据通信.SN65176B 和 SN75176B 专为平衡传输线路而设计,符合 ANSI 标准 TIA/EIA-422-B 和 TIA/EIA-485-A 以及 ITU 建议 V.11 和 X.27.
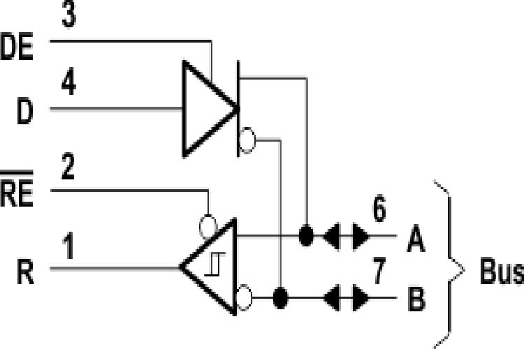
SN65176BDR 器件整合了一个三态差分线路驱动器和一个差分输入线路接收器,两者均采用 5V 单电源供电.驱动器具有高电平有效使能端,接收器具有低电平有效使能端,它们可以在外部连接在一起以用作方向控制.驱动器差分输出端和接收器差分输入端在内部连接以形成差分输入/输出 (I/O) 总线端口,这些端口用于在禁用驱动器或 VCC = 0 时为总线提供最小负载.这些端口具有较宽的正负共模电压范围,使得该器件适用于合用线应用.
驱动器旨在实现高达 60mA 的灌电流或拉电流.驱动器具有正负电流限制和热关断功能,避免出现线路故障状况.根据设计在大约 150°C 的结温下发生热关断.接收器具有 12kΩ 的最小输入阻抗\±200mV 的输入灵敏度和 50mV 的典型输入迟滞.

特性
双向收发器
符合或超出 ANSI 标准 TIA/EIA-422-B 和 TIA/EIA-485-A 以及 ITU 建议 V.11 和 X.27 的要求
适用于嘈杂环境中长总线上的多点传输
三态驱动器和接收器输出
单独的驱动器和接收器使能端
宽正负输入/输出总线电压范围
±60mAm 最大驱动器输出能力
热关断保护
驱动器正负电流限制
12kΩ 最小接收器输入阻抗
±200mV 接收器输入灵敏度
50mV 典型接收器输入迟滞
由 5V 单电源供电运行