新闻资讯

THVD2410DR

2026/2/10 14:13:13
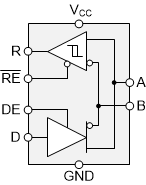
THVD2410DR是 ±70V 故障保护\半双工\RS-422/RS-485 收发器,由 3V 至 5.5V 的单电源供电.在所有运行模式下均可保护总线接口引脚不受过压条件破坏,可确保在恶劣的工业环境中实现稳定可靠的通信.

这些器件具有集成式 IEC ESD 保护,无需外部系统级保护组件.在更长的电缆敷设长度和/或存在大接地环路电压的情况下,扩展 ±25V 输入共模范围可保证数据通信稳定可靠.增强型 250mV 接收器迟滞可确保实现高噪声抑制.此外,当输入同时开路或短路时,接收器失效防护功能可保证处于逻辑高电平.

THVD2410DR器件采用小型 VSSOP 和 VSON 封装,适用于空间受限型应用.这些器件在自然通风环境下的额定温度范围为 –40°C 至 125°C.

特性


符合或超过 TIA/EIA-485A 和 TIA/EIA-422B 标准的要求
提供功能安全
可帮助进行功能安全系统设计的文档
3V 至 5.5V 电源电压
差分输出超过 2.1V,在 5V 电源下 与 PROFIBUS 兼容
总线 I/O 保护
±70V 直流总线故障
±16kV HBM ESD
±12kV IEC 61000-4-2 接触放电
±12kV IEC 61000-4-2 空气间隙放电
±4kV IEC 61000-4-4 快速瞬变脉冲
提供两种速度等级的 半双工器件
THVD2410:500kbps
THVD2450:50Mbps
工作环境 温度范围:-40°C 至 125°C
扩展级运行 共模范围:±25 V
增强型接收器迟滞, 可获得抗噪能力
低功耗
低待机电源电流:< 1µA
运行期间的电流:<5.6 mA
适用于热插拔功能的无干扰上电/断电
开路\短路和空闲总线失效防护
热关断
1/8 单位负载(多达 256 个总线节点)
小型 VSON 和 VSSOP 封装(可节省布板空间)或 SOIC 封装(可实现快插兼容性)

PREV:TPS2553DBVR

NEXT:OPA2197IDR

Related information