TLC555 是一款 CMOS 单片计时电路.该计时器与 CMOS\TTL 和 MOS 逻辑器件完全兼容,可在最高 2MHz 的频率下运行.由于输入阻抗较高,此器件可支持比 NE555 或 LM555 所支持的计时电容器更小的计时电容器.因此,可实现更加准确的延时时间和振荡.在整个电源电压范围内可保持较低功耗.
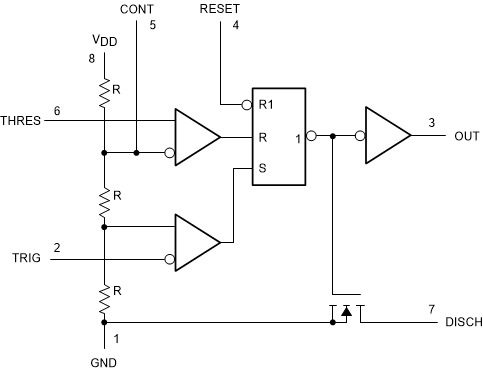
与 NE555 类似,TLC555 有一个约等于电源电压三分之一的触发电平以及一个约等于电源电压三分之二的阈值电平.可使用控制电压终端 (CONT) 来改变这些电平.当触发输入 (TRIG) 下降至低于触发电平的时候,触发器被设定并且输出变为高电平.如果 TRIG 高于触发电平并且阈值输入 (THRES) 在阈值电平之上,触发器将被复位并且输出为低电平.复位输入 (RESET) 的优先级高于所有其他输入,并且可用于启动一个新的计时周期.如果 RESET 为低电平,触发器被复位并且输出为低电平.只要当输出为低电平,在放电终端 (DISCH) 和接地 (GND) 之间提供一个低阻抗路径.所有未使用的输入必须连接到适当的逻辑电平,以防止错误触发.

特性
极低功耗:
VDD = 5V 时为 1mW(典型值)
能够在非稳态模式下正常工作
支持轨到轨摆动的 CMOS 输出
高输出电流能力
灌电流:100mA(典型值)
源电流:10mA(典型值)
输出与 CMOS\TTL 和 MOS 完全兼容
低电源电流在输出转换期间降低了尖峰
2V 至 15V 单电源运行
在功能上可与 NE555 互换;具有相同的引脚
ESD 保护超出 ANSI/ESDA/JEDEC JS-001 规定的 1000V
可用于 Q 级温度汽车
高可靠性汽车应用
配置控制和打印支持
通过汽车标准鉴定