TPA3118D2DAPR是高效的立体声数字放大器功率级,用于在单声道模式下驱动高达 100W/2Ω 的扬声器.TPA3130D2 的效率非常高,可在单层 PCB 上提供 2 × 15W 的功率,且无需外部散热器.TPA3118D2 甚至可以在不使用外部散热器的情况下在双层 PCB 上提供 2 × 30W/8Ω 的功率.如果需要更高的功率,可以选用 TPA3116D2,这款器件在其顶层 PowerPAD 上连接一个小型散热器后可提供 2 × 50W/4Ω 的功率.这三款器件的大小相同,这样一来,使用单个 PCB 即可满足不同功率级的需求.
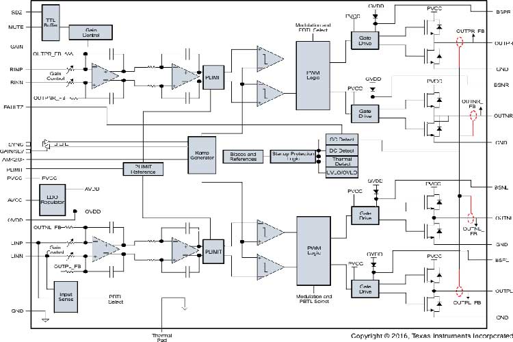
TPA3118D2DAPR高级振荡器/PLL 电路采用了一个多开关频率选项来抑制 AM 干扰;搭配选择使用主从选项时,还可使多个器件实现同步.
TPA3118D2DAPR器件具有短路保护和热保护以及过压\欠压和直流保护,可全面防止出现故障.在过载情况下,器件会将故障情况反馈给处理器,从而避免自身遭到损坏.

特性
支持多个输出配置
21V 电压\4Ω BTL 负载条件下的功率为 2 × 50W (TPA3116D2)
24V 电压\8Ω BTL 负载条件下的功率为 2 × 30W (TPA3118D2)
15V 电压\8Ω BTL 负载条件下的功率为 2 × 15W (TPA3130D2)
宽电压范围:4.5V 至 26V
高效 D 类运行
大于 90% 的电源效率加之较低空闲损耗,大幅减小了散热器尺寸
高级调制方案
多重开关频率
AM 抑制
主从同步
高达 1.2MHz 的开关频率
采用具有高 PSRR 的反馈功率级架构,降低了 PSU 要求
可编程功率限制
差分和单端输入
立体声模式和单声道模式(采用单滤波器单声道配置)
采用单电源供电,减少了组件数量
集成式自保护电路,包括过压\欠压\过热\直流检测和短路等保护,并且具有错误报告功能
热增强型封装
DAD(32 引脚 HTSSOP 封装,焊盘朝上)
DAP(32 引脚 HTSSOP 封装,焊盘朝下)
-40°C 至 85°C 环境温度范围