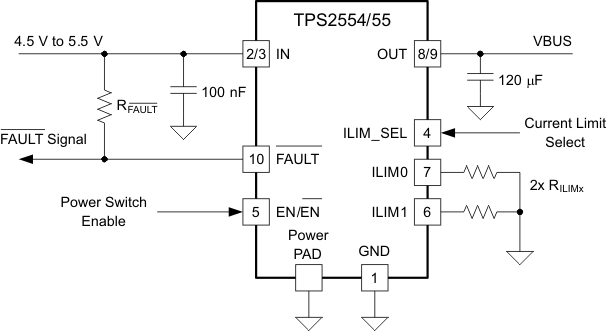
TPS2555DRCR配电开关用于需要精密电流限制或遇到重电容负载和短路的应用. 这些器件通过外部电阻提供介于 500mA 和 2.5 A(典型值)之间的可编程电流限制阈值
当输出负载超出电流限制阈值时,TPS2554/55 器件通过切换到恒定电流模式,将输出电流限制在安全的程度. 此 故障 逻辑输出在过流和过温条件下判定为低

特性
满足 USB 电流限制要求
可调节电流限制,500mA 至 2.5A (典型值)
两个可独立设置的电流限制阈值
快速过流响应 - 1.5 μs(典型值)
73mΩ 高侧 MOSFET
3.8μA 最大待机电源电流
PowerPAD™ 热管理
禁用时自动输出放电
高电平启用 (TPS2554) 和低电平启用 (TPS2555) 版本均可用
应用
USB 端口/集线器
数字电视
机顶盒
VOIP 电话