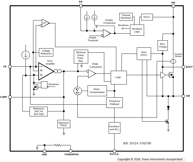
TPS54560BDDAR是一款具有集成型高侧 MOSFET 的 60V\5A 降压稳压器.电流模式控制提供了简单的外部补偿和灵活的组件选择.低纹波脉冲跳跃模式可将无负载电源电流降至 146µA.当 EN(使能)引脚被拉至低电平时,关断电源电流降低至 2µA.
欠压闭锁在内部设定为 4.3V,但可用 EN(使能)引脚将之提高.输出电压启动斜坡可在内部控制,以实现启动过程可控并消除过冲.
宽开关频率范围可实现对效率或者外部组件尺寸的优化.输出电流是受限的逐周期电流.频率折返和热关断在过载条件下保护内部和外部组件.
TPS54560BDDAR 采用 8 引脚热增强型 HSOIC PowerPAD 封装.

特性
在轻负载条件下借助脉冲跳跃实现高效率 Eco-mode™
92mΩ 高侧金属氧化物半导体场效应晶体管 (MOSFET)
146µA 工作静态电流和
2µA 关断电流
100kHz 至 2.5MHz 的固定开关频率
与外部时钟同步
轻负载条件下使用集成型 BOOT 再充电 FET 实现低压降
可调欠压闭锁 (UVLO) 和迟滞
0.8V 1% 内部电压基准
8 引脚 HSOIC PowerPAD™封装
-40°C 至 150°C TJ 工作范围