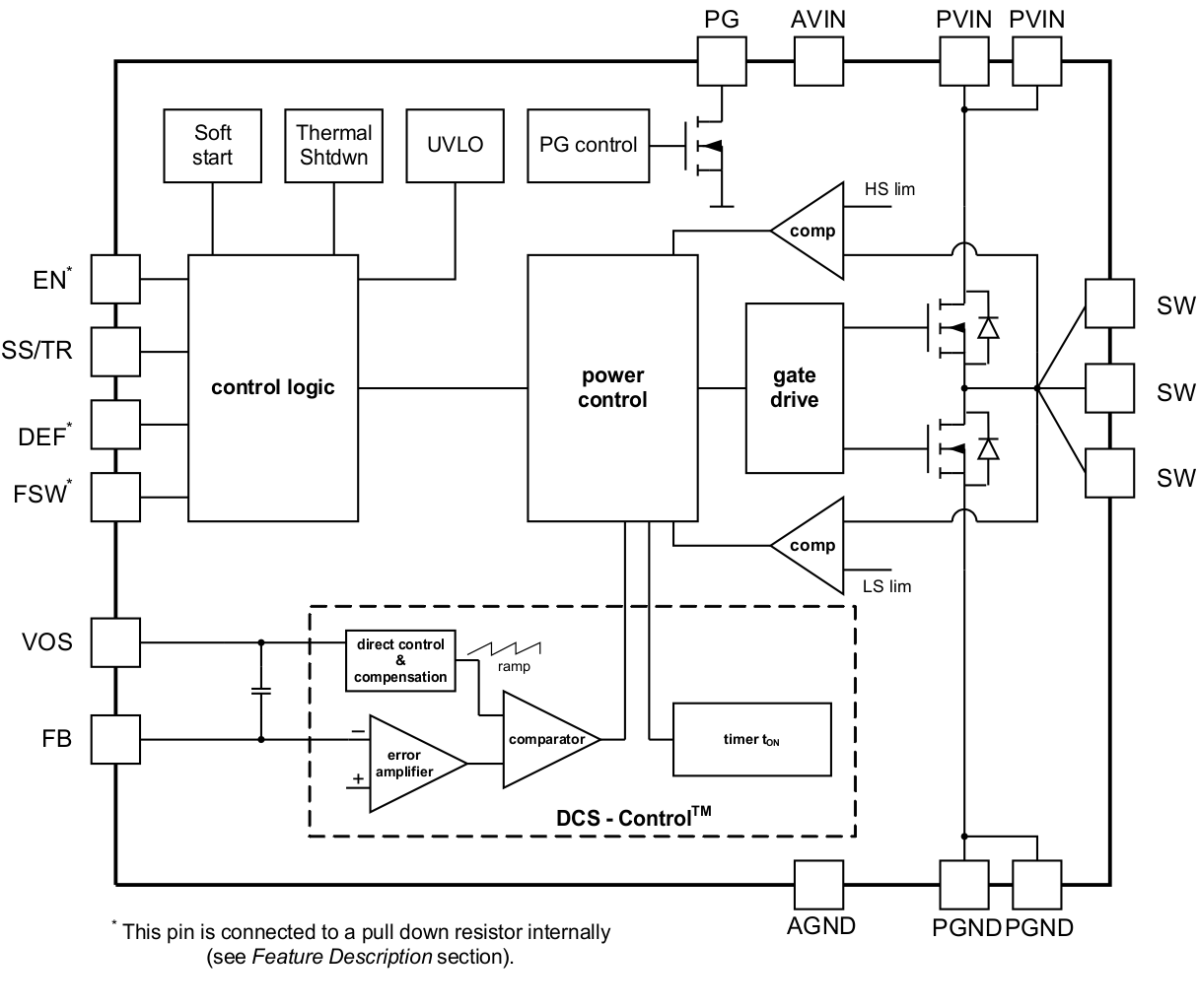
TPS62130ARGTR系列是易于使用的同步降压直流/直流转换器,此转换器针对高功率密度应用进行了优化.典型值为 2.5MHz 的高开关频率支持使用小型电感器,并且通过使用 DCS-Control 拓扑技术提供快速瞬态响应以及高输出电压精度.
此器件具有 3V 至 17V 宽运行输入电压范围,非常适用于由锂离子或其它电池以及 12V 中间电源轨供电的系统.这些器件在 0.9V 至 6V 的输出电压范围内,支持高达 3A 的持续输出电流(使用 100% 占空比模式时).此输出电压启动斜坡由软启动引脚控制,从而支持作为独立电源运行或采用跟踪配置.通过配置使能引脚和开漏电源正常状态引脚也可以实现电源排序.
在节能模式下,这些器件从 VIN 中消耗约 17µA 的静态电流.负载较小时可自动且无缝进入节能模式,同时该模式可保持整个负载范围内的高效率.该器件在关断模式下处于关断状态,期间的流耗低于 2µA.
此器件分为可调和固定输出电压型号,采用 3mm × 3mm (RGT) 16 引脚超薄四方扁平无引线 (VQFN) 封装.

特性
DCS-Control™ 拓扑
输入电压范围:3 V 至 17 V
高达 3A 输出电流
可调输出电压范围为 0.9 V 至 6 V
引脚可选输出电压(标称值,+5%)
可编程软启动和跟踪
节能模式无缝转换
17µA 静态电流(典型值)
可选工作频率
电源正常状态输出
100% 占空比模式
短路保护
过热保护
与 TPS62140 和 TPS62150 引脚对引脚兼容
采用 3mm × 3mm QFN-16 封装
使用 TPS82130 可缩短设计时间