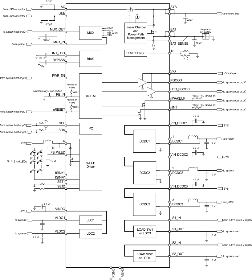
TPS65217CRSLR是一款单芯片电源管理 IC (PMIC),专门设计用来为便携式设备和 5V 线路供电应用中的 AM335x ARM® Cortex®-A8 处理器 供电.该 PMIC 器件包含一个线性电池充电器(支持单节锂离子电池和锂聚合物电池)\双输入电源路径\三个降压转化器\四个低压降 (LDO) 稳压器以及一个高效升压转换器,可为两个分别由多达 10 个 LED 组成的灯串供电.此系统可由 USB 端口\5V 交流适配器或锂离子电池的任意组合供电.此器件的额定运行温度范围为 -40°C 至 +105°C,非常适合工业 应用.三个高效 2.25MHz 降压转换器可为系统提供内核电压\存储器和 I/O 电压.TPS65217x 采用间距为 0.4mm 的 48 引脚无引线封装 (6mm x 6mm VQFN).

特性
充电器和电源路径
电源路径上的 2A 输出电流
线性充电器;最大充电电流 700mA
耐压达 20V 的 USB 和交流输入
热调节\安全定时器
温度感测输入
降压转换器(DCDC1\DCDC2 和 DCDC3)
具有集成开关 FET 的三个降压转换器
2.25MHz 固定频率运行
轻负载电流下的省电模式
PWM 模式下输出电压精度为 ±2%
针对最低压降的 100% 占空比
每转换器的静态电流典型值为 15µA
当被禁用时对地被动放电
LDO 稳压器(LDO1 和 LDO2)
两个可调式 LDO
LDO2 可配置为跟踪 DCDC3
静态电流典型值为 15µA
负载开关(LDO3 和 LDO4)
两个可配置为 LDO 的独立负载开关
WLED 驱动器
具有内部生成的 PWM,支持调光控制
38V 开路 LED 保护
支持两个 LED 灯串(每串多达 10 个 LED,每个 LED 的电流为 25mA)
内部低侧灌电流
保护
低压锁定和电池故障比较器
常开按钮监视器
硬件复位引脚
受密码保护的 I2C 寄存器
接口
I2C 接口(地址 0x24)
受密码保护的 I2C 寄存器