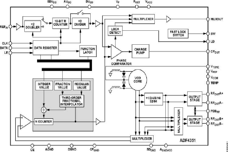
ADF4351BCPZ结合外部环路滤波器和外部基准频率使用时,可实现小数N分频或整数N分频锁相环(PLL)频率合成器.
ADF4351BCPZ具有一个集成电压控制振荡器(VCO),其基波输出频率范围为2200 MHz至4400 MHz.此外,利用1/2/4/8/16/32/64分频电路,用户可以产生低至35 MHz的RF输出频率.对于要求隔离的应用,RF输出级可以实现静音.静音功能既可以通过引脚控制,也可以通过软件控制.同时提供辅助RF输出,且不用时可以关断.
所有片内寄存器均通过简单的三线式接口进行控制.该器件采用3.0 V至3.6 V电源供电,不用时可以关断.

特性
输出频率范围:35 MHz至4400 MHz
小数N分频频率合成器和整数N分频频率合成器
具有低相位噪声的VCO
可编程的1/2/4/8/16/32/64分频输出
典型RMS抖动:0.3 ps rms
EVM:0.4%(典型值,2.1 GHz)
电源:3.0 V至3.6 V
逻辑兼容性:1.8 V
编程双模预分频器:4/5或8/9
可编程的输出功率
RF输出静音功能
三线式串行接口
模拟和数字锁定检测
在宽带宽内快速锁定模式
周跳减少
应用 - 无线基础设施(W-CDMA\TD-SCDMA\WiMAX\GSM\PCS\DCS\DECT)
- 测试设备
- 无线局域网(LAN)\有线电视设备
- 时钟产生