BQ7694003DBTR可靠的模拟前端 (AFE) 器件系列是针对下一代高功率系统(如轻型电动车辆\电动工具和不间断电源)的完整电池组监控与保护解决方案的组成部分. BQ769x0 专为实现低功耗而设计:不仅可通过启用/禁用 IC 中的子块来控制整个芯片的电流消耗,还可以利用运输模式将电池组轻松切换至超低功耗状态.
BQ7694003DBTR器件支持多达 5 节串联电池或典型值为 18 V 的电池组,BQ76930 可处理多达 10 节串联电池或典型值为 36 V 的电池组,而 BQ76940 支持多达 15 节串联电池或典型值为 48 V 的电池组.可借助这些 AFE 管理各种电池化学物质,例如锂离子\磷酸铁锂等.通过 I2C,主机控制器可以使用 BQ769x0 来执行多种电池组管理功能,例如监控(电池电压\电池组电流\电池组温度)\保护(控制充电/放电 FET)以及平衡功能.集成式模数 (A/D) 转换器可实现对关键系统参数的纯数字读取,并会在 TI 制造过程中校准这些参数.

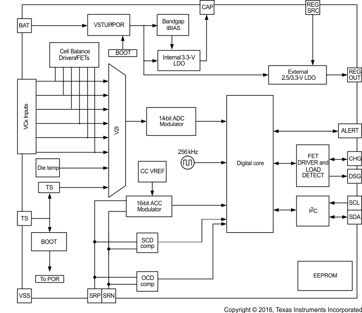
特性
AFE 监控特性
纯数字接口
内部模数转换器 (ADC) 用于测量电池电压\芯片温度和外部热敏电阻
一个单独的\内部 ADC 测量电池组电流(库伦电荷计数器)
直接支持多达三个热敏电阻 (103AT)
硬件保护特性
放电过流 (OCD)
放电短路 (SCD)
过压 (OV)
欠压 (UV)
次级保护器故障检测
其他特性
集成电池均衡场效应晶体管 (FET)
充电\放电低侧 NCH FET 驱动器
到主机微控制器的警报中断
2.5 V 或 3.3 V 输出电压稳压器
无需 EEPROM 编程
高电源电压绝对最大值(高达 108V)
可兼容 I2C 的简单接口(CRC 选项)
可容忍电池随机连接