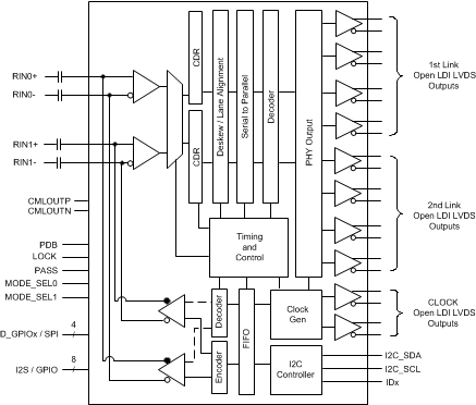
DS90UB948-Q1 是一款 FPD-Link III 解串器,与 DS90UB949A/949/947-Q1 串行器配合使用时可将单通道或双通道 FPD-Link III 流转换成 FPD-Link (OpenLDI) 接口格式.该解串器能够在具有成本效益的 50Ω 单端同轴或 100Ω 差分屏蔽双绞线 (STP) 电缆上运行.它能够从单通道或双通道 FPD-Link III 串行流中恢复数据,然后将其转换为双像素 FPD-Link(8 个 LVDS 数据通道 + 时钟),最高可支持 2K (2048x1080) 的视频分辨率(24 位色深).这可为各个支持 HDMI 的源(例如 CPU)间提供桥接,以便连接到现有 LVDS 显示器或应用处理器.
FPD-Link III 接口支持通过同一条差分链路进行视频和音频数据传输以及全双工控制(包括 I2C 和 SPI 通信).通过两个差分对实现视频数据和控制的整合可减小互连线尺寸和重量,并简化系统设计.通过使用低压差分信令\数据换序和随机生成更大限度地减少了电磁干扰 (EMI).在向后兼容模式下,该器件在单一差分链路上最高可支持 WXGA 和 720p 分辨率(24 位色深).
该器件将自动检测 FPD-Link III 通道并提供一种时钟对齐和偏移补偿功能,无需任何特殊的训练模式.这可在互连线路(例如,PCB 布线)中出现不匹配问题\电缆线对长度存在差异以及连接器不平衡时确保相位偏移在容差范围内.

特性
符合汽车应用要求
具有符合 AEC-Q100 标准的下列特性:
器件温度等级 2:–40°C 至 +105°C 环境工作温度范围
支持高达 192MHz 的像素时钟频率,可实现 2K (2048x1080) 的分辨率和 24 位色深
具有偏斜校正能力的单通道或双通道 FPD-Link III 接口
单通道或双通道 OpenLDI (LVDS) 发送器
单通道:高达 96MHz 的像素时钟
双通道:高达 192MHz 的像素时钟
可配置的 18 位 RGB 或 24 位 RGB
提供功能安全
有助于进行 ISO 26262 系统设计的文档
四通道高速 GPIO(每个通道最高 2Mbps)
自适应接收均衡
在 1.48GHz 下的通道插入损耗补偿高达 –15.5dB,在 1.68GHz 下的通道插入损耗补偿高达 -9dB
提供自动温度和电缆老化补偿
SPI 控制接口速率高达 3.3Mbps
具有 1Mbps 快速模式增强版的 I2C(控制器/目标)
图像增强功能(白平衡和抖动)
支持 7.1 多条 I2S(4 个数据)通道