INA333AIDGKR器件是一款低功耗的精密仪表放大器,具有出色的精度.该器件采用通用的三运算放大器设计,并且拥有小巧尺寸和低功耗特性,非常适合各类便携式 应用.
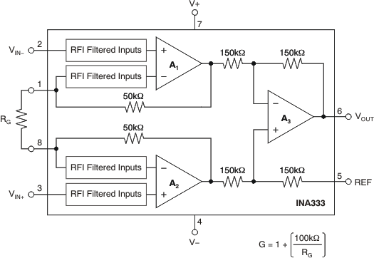
可通过单个外部电阻在 1 到 1000 范围内设置增益.INA333 设计为采用符合行业标准的增益公式:G = 1 + (100kΩ/RG).
INA333AIDGKR器件拥有超低的偏移电压(25μV,G ≥ 100),出色的偏移电压漂移
(0.1μV/°C,G ≥ 100),以及较高的共模抑制比(100dB,G ≥ 10).该器件可由低至 1.8V (±0.9V) 的电源供电运行,静态电流仅为 50μA,因此非常适合电池供电类系统.INA333 器件采用自动校准技术在扩展工业温度范围内保证了出色的精度,同时还提供了向下扩展至直流的超低噪声密度 (50nV/√Hz).
INA333AIDGKR器件采用 8 引脚 VSSOP 和 WSON 表面贴装封装,额定温度范围 TA = –40°C 至 +125°C.

特性
低偏移电压:25µV(最大值),G ≥ 100
低漂移:0.1μV/°C,G ≥ 100
低噪声:50nV/√Hz,G ≥ 100
高共模抑制比 (CMRR):100dB(最小值),G ≥ 10
低输入偏置电流:200pA(最大值)
电源范围:1.8V 至 5.5V
输入电压:(V–) + 0.1V 至 (V+) – 0.1V
输出电压:(V–) + 0.05V 至 (V+) – 0.05V
低静态电流:50μA
工作温度范围:-40°C 至 +125°C
已过滤射频干扰 (RFI) 的输入
8 引脚 VSSOP 和 8 引脚 WSON 封装
应用范围
桥式放大器
心电图 (ECG) 放大器
压力传感器
医疗仪表
便携式仪表
衡器
热电偶放大器
电阻式温度检测器 (RTD) 传感器放大器
数据采集