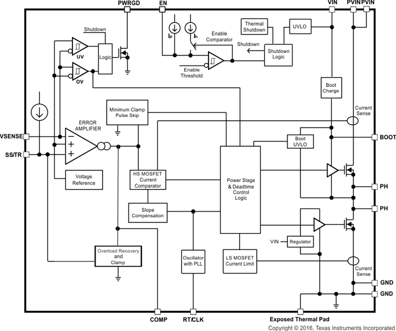
TPS54620RHLR采用热增强型 3.50mm × 3.50mm QFN 封装,是一款功能齐全的 17V 6A 同步降压转换器;该器件具有高效率且集成了高侧和低侧 MOSFET,经过优化实现小型设计.通过电流模式控制减少组件数量,同时通过选择高开关频率缩小电感封装尺寸,从而进一步节省空间.
输出电压启动斜坡由 SS/TR 引脚控制,可实现独立电源运行,或者跟踪状态下的运行.此外,正确配置使能与开漏电源良好引脚也可实现电源时序.
高侧 FET 的逐周期电流限制可在过载情况下保护器件,并通过低侧拉电流限制防止电流失控,增强限制效果.此外,还提供可关闭低侧 MOSFET 的低侧灌电流限制,防止反向电流过大.裸片温度超过热关断温度时,热关断会禁用此部件.

特性
集成了 26mΩ 和 19mΩ MOSFET
分离电源轨:PVIN 上的电压范围为 1.6V 至 17V
200kHz 至 1.6MHz 开关频率
与外部时钟同步
温度范围内实现0.8V±1% 电压基准
低至 2µA 的关断静态电流
单调启动至预偏置输出
-40°C 至 150°C 工作结温范围
可调慢启动和电源排序
针对欠压及过压的电源良好输出监控
可调节输入欠压锁定