OPA2171AQDGKRQ1是 36V 单电源低噪声运算放大器,能够在 2.7V (±1.35V) 至 36V (±18V) 的电源电压范围内运行.该系列采用多种封装,并且具有低偏移\低漂移以及低静态电流特性.单通道\双通道和四通道版本均具有相同的技术规格,可最大程度地提高设计灵活性.
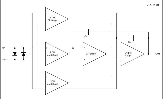
大多数运算放大器仅有一个指定的电源电压,OPAx171-Q1 系列则有所不同,其可在 2.7V 至 36V 电压范围内可额定运行.超过电源轨的输入信号并不会导致反相.OPAx171-Q1 系列器件与高达 300pF 的容性负载搭配使用时可保持稳定.输入可在负电源轨以下 100mV 到顶轨以上 2V 范围内正常运行.该器件可在正电源轨之上 100mV 轨到轨满输入电压下运行,但在正电源轨 2V 范围内运行时会降低性能.
OPA2171AQDGKRQ1运算放大器系列额定运行温度范围为 -40°C 至 +125°C.

特性
符合汽车应用要求
AEC-Q100 测试指导结果如下:
温度等级 1:–40°C 至 +125°C 环境工作温度范围
器件 HBM ESD 分类等级:
OPA171-Q1 的等级为 3A
OPA4171-Q1 的等级为 2
器件 CDM ESD 分类等级
OPA171-Q1TLV171-Q1 的等级为 C4A
OPA2171-Q1 的等级为 C6
OPA4171-Q1 的等级为 C6
电源电压范围:
单电源:2.7V 至 36V
双电源 ±1.35V 至 ±18V
低噪声:1kHz 时为 14 nV/√Hz
低温漂:±0.3µV/°C(典型值)
输入范围包括负电源
输入范围运行至正电源,性能降低
轨到轨输出
增益带宽:3MHz
低静态电流:每个放大器 475µA
高共模抑制:120dB(典型值)
低输入偏置电流:10pA
行业标准封装:
5 引脚 Small-Outline Transistor SOT-23 (DBV) 封装