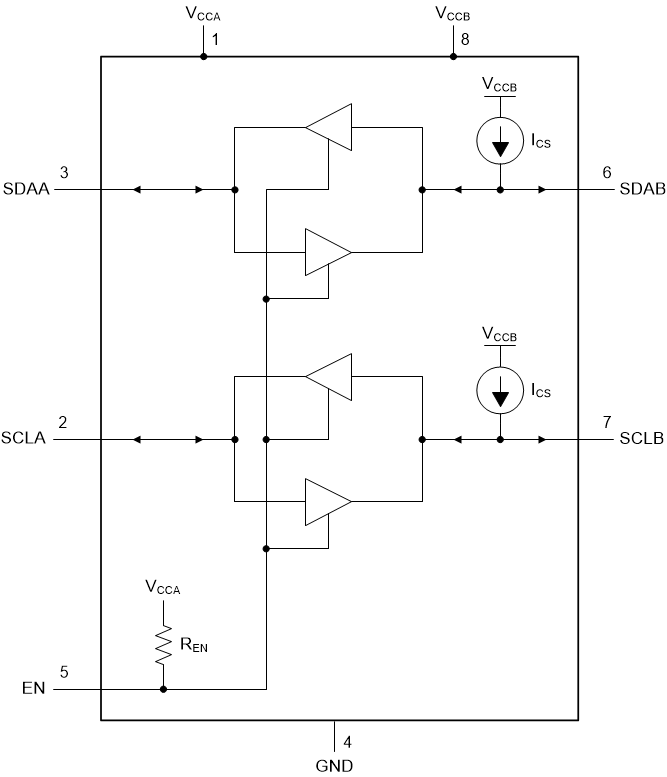
TCA9803DGKR是一款适用于 I2C 总线和 SMBus/PMBus 系统的双通道双向缓冲器.它在低电压(低至 0.8V)和较高电压(1.65V 至 3.6V)之间提供双向电平转换.TCA9803 在器件 B 侧 具有 一个内部电流源,因而 B 侧不需要外部上拉电阻器.该电流源还提供改进的上升时间和超低功耗.
TCA9803DGKR能够在不使用静态电压偏移或增量偏移的情况下提供真正的缓冲(而不是 pass-FET 解决方案).这意味着 TCA9803 的 A 侧和 B 侧上的 VOL 极低(约为 0.2V),有助于消除由于固定的 VIL 阈值导致的通信问题.TCA9803 的另一个重要特性是没有电源定序要求或电源依赖性.VCCA 可以大于\小于或等于 VCCB.这使得系统设计人员可以灵活地使用 TCA9803.

特性
双通道双向缓冲器
在 B 侧集成了电流源,不需要外部 B 侧电阻器
超低功耗
无静态电压偏移,低 VOL
与 I2C 总线和 SMBus 兼容
在 A 侧上,工作电源电压范围为 0.8V 至 3.6V
在 B 侧上,工作电源电压范围为 1.65V 至 3.6V
高电平有效中继器使能输入
A 侧断电高阻抗 I2C 总线引脚
断电反射功率保护 I2C 总线引脚
支持时钟拉伸和多主仲裁
0.5mA 至 3mA 的电流源选项系列