
1930年创立,总部位于美国德克萨斯州达拉斯.作为全球半导体巨头,设计\制造\销售模拟和嵌入式处理芯片等超8万种产品. 其主要产品线涵盖模拟芯片,像电源管理\信号链产品;嵌入式处理芯片,包含微控制器\数字信号处理器等;还有数字光处理(DLP)技术等.产品广泛用于工业控制\汽车电子\个人电子\通信设备及企业系统等领域 .
查看详情Analog Devices, Inc.(亚德诺半导体,简称ADI)1965年成立,总部位于美国马萨诸塞州威尔明顿.作为全球半导体行业佼佼者,专注高性能模拟\混合信号及数字信号处理集成电路设计\制造与销售.主要产品线包括数据转换器\电源管理芯片\放大器\射频与微波芯片等.产品广泛用于通信\工业\汽车\医疗等领域 ,助力各行业实现技术创新与性能提升
查看详情意法半导体(英文名:STMicroelectronics)1987年由意法两国企业合并成立,总部位于瑞士,是全球知名半导体企业.产品线丰富,涵盖微控制器\功率器件\传感器等,如STM32系列微控制器.产品广泛用于汽车电子\工业控制\消费电子等领域,助力智能驾驶\工厂自动化及各类智能设备运行 .
查看详情在纳米科技飞速发展的当下,量子点作为一种直径介于 2 到 10 纳米之间的半导体纳米晶体,正以其独特的物理化学性质,掀起电子领域的革新浪潮。凭借量子限域效应赋予的可调节光学和电学特性,量子点在显示技术、光电器…
查看详情在科技飞速发展的今天,电子设备早已不再局限于方正、坚硬的形态。柔性混合电子(Flexible Hybrid Electronics,简称 FHE)作为融合了柔性电子与传统半导体技术的前沿领域,正以前所未有的姿态打破传统电子设备的边界…
查看详情近年来,全球电子元器件行业在快速发展的同时,也面临着前所未有的挑战。地缘政治冲突、自然灾害、公共卫生事件等多重因素交织,不断冲击着原本精密复杂的供应链体系。在这样的背景下,提升供应链韧性成为电子元器件行…
查看详情在半导体工艺逐渐逼近物理极限、芯片研发成本不断攀升的当下,一种新兴的技术 ——Chiplet(芯粒),正受到电子元器件行业的广泛关注。Chiplet 技术打破了传统芯片设计与制造的固有模式,通过将不同功能的小芯片进行异…
查看详情在数据爆炸式增长的今天,传统计算机架构正面临着前所未有的挑战。冯・诺依曼架构下,数据存储与计算单元相互分离,导致数据在存储与计算之间传输时产生巨大延迟和能耗,这一被称为 “冯・诺依曼瓶颈” 的问题,严重制…
查看详情REF193GSZ-REEL系列精密带隙基准电压源采用温度漂移曲率校正专利电路,并对高稳定性薄膜电阻进行激光调整,从而实现极低的温度系数和高初始精度.该系列由微功耗\低压差(LDV)器件组成,可利用仅比输出电压高出100 mV的电源…
查看详情REF193GSZ-REEL系列精密带隙基准电压源采用温度漂移曲率校正专利电路,并对高稳定性薄膜电阻进行激光调整,从而实现极低的温度系数和高初始精度.该系列由微功耗\低压差(LDV)器件组成,可利用仅比输出电压高出100 mV的电源…
查看详情AD9361BBCZ是一款面向3G和4G基站应用的高性能、高集成度的射频(RF)Agile Transceiver™捷变收发器。该器件的可编程性和宽带能力使其成为多种收发器应用的理想选择。该器件集RF前端与灵活的混合信号基带部分为一体,集…
查看详情AD7606BSTZ分别是16位、8/6/4通道同步采样模数数据采集系统(DAS)。各器件均内置模拟输入箝位保护、二阶抗混叠滤波器、采样保持放大器、16位电荷再分配逐次逼近模数转换器(ADC)、灵活的数字滤波器、2.5 V基准电压源、基…
查看详情AD7616BSTZ是一款16位DAS,支持对16个通道进行双路同步采样。AD7616采用5 V单电源供电,可以处理±10 V、±5 V和±2.5 V真双极性输入信号,同时每对通道均能以高达1 MSPS的吞吐速率和90.5 dB SNR采样。利用片内过采样…
查看详情AD2428WCCSZ-RL汽车音频总线® (A2B®)采用创新技术,通过单一非屏蔽的低成本双绞线分配音频和控制数据、时钟及电源,从而降低了系统成本、重量和设计复杂性。AD2422W是一款增强型A2B收发器,提供扩展特性集,同…
查看详情MAX9295AGTJ/V+T将单端口或双端口 MIPI CSI-2 数据流转换为 GMSL2™ 或 GMSL1™,同时发送和接收控制通道数据,从而能够在长度超过 15m 的电缆上实现前向视频和双向控制数据的全双工单线传输。在 GMSL2 模式下,设备的…
查看详情MAX9275GTN/V+T是3.12Gbps千兆位多媒体串行链路(GMSL)串行器,具有并行LVCMOS输入和CML串行输出,可编程为支持50Ω同轴电缆或100Ω屏蔽双绞线(STP)电缆驱动。MAX9279具有HDCP内容保护功能,除此之外与MAX9275相同。这…
查看详情MAX96717GTJ/VY+T GMSL™ 串行器在MIPI CSI-2接口上接收视频,并在GMSL2串行链路收发器上输出视频。同时,它通过相同的GMSL2链路发送和接收双向控制通道数据。GMSL2数据可以通过同轴或屏蔽双绞线(STP)电缆进行传输。它…
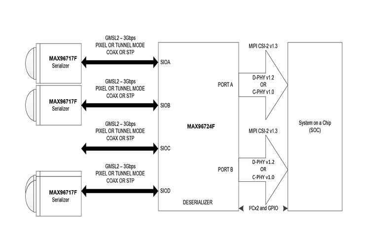
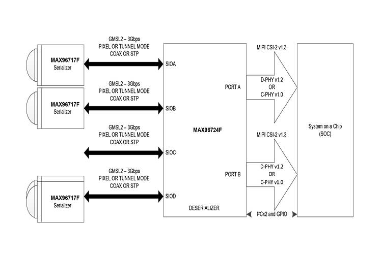
查看详情MAX96717FGTJ/VY+T GMSL™ 串行器在MIPI CSI-2接口上接收视频,并在GMSL2串行链路收发器上输出视频。同时,它通过相同的GMSL2链路发送和接收双向控制通道数据。GMSL2数据可以通过同轴或屏蔽双绞线(STP)电缆进行传输。…
查看详情AD2S1210WDSTZRL7是一款10位至16位分辨率旋变数字转换器,集成片上可编程正弦波振荡器,为旋变器提供正弦波激励。转换器的正弦和余弦输入端允许输入3.15 V p-p ± 27%、频率为2 kHz至20 kHz范围内的信号。Type II伺服…
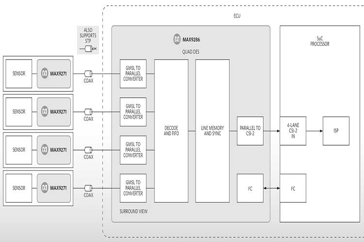
查看详情MAX9286GTN/V+T吉比特多媒体串行链路(GMSL)解串器接收多达四个GMSL串行器的数据,采用50Ω同轴电缆或100Ω屏蔽双绞线(STP)电缆,通过四个CSI-2通道输出数据。每条串行链路具有嵌入式控制通道,工作在9.6kbps至1Mbps,…
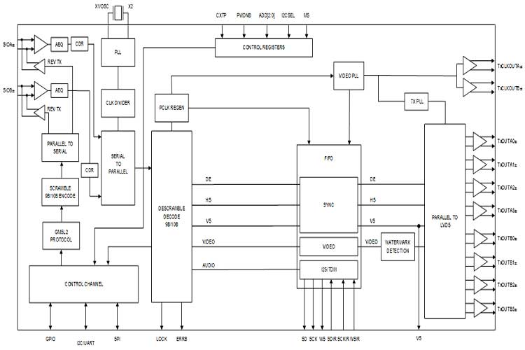
查看详情MAX96724GTN/VY+T反串行器可以将四路 GMSL™2/1 输入转换为 1、2 或 4 路 MIPI D-PHY 或 C-PHY 输出。该套件支持通过符合 GMSL 通道规范的 50Ω 同轴电缆或 100ΩSTP 电缆同时进行双向传输。请联系工厂以获取 GMSL 支…
查看详情MAX96752GTN/V+T 解串器可将单链路或双链路 GMSL™ 串行输入转换为单链路或双链路 OLDI.它们还可以发送和接收侧信道和外围设备控制数据,从而实现视频和双向数据的全双工单线传输.OLDI 输出可配置为单端口(4 或 8 通道…
查看详情MAX96752FGTN/V+T 解串器可将单链路或双链路 GMSL™ 串行输入转换为单链路或双链路 OLDI。它们还可以发送和接收侧信道和外围设备控制数据,从而实现视频和双向数据的全双工单线传输。OLDI 输出可配置为单端口(4 或 8…
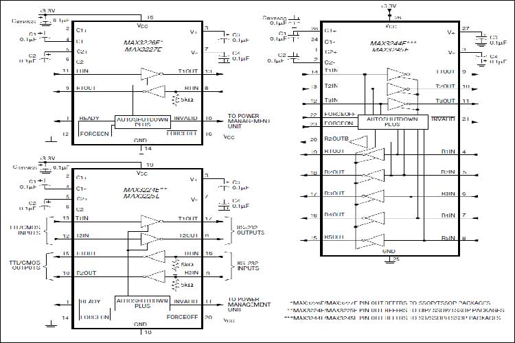
查看详情MAX3227ECAE+T均为3V电源供电的EIA/TIA-232和V.28/V.24通信接口,具有自动关断/唤醒功能、高数据速率和增强型静电放电(ESD)保护。所有发射器输出和接收器输入均使用IEC 1000-4-2气隙放电受到±15kV的保护,使用IEC 10…
查看详情MAX17048G+T10为小尺寸、微功耗电流电量计,用于手持及便携产品的锂离子(Li+)电池组。MAX17048配置工作在单节锂电池;MAX17049配置工作在2节串联锂电池。IC采用成熟的Li+电池建模算法ModelGauge™,在不同的充电和放电…
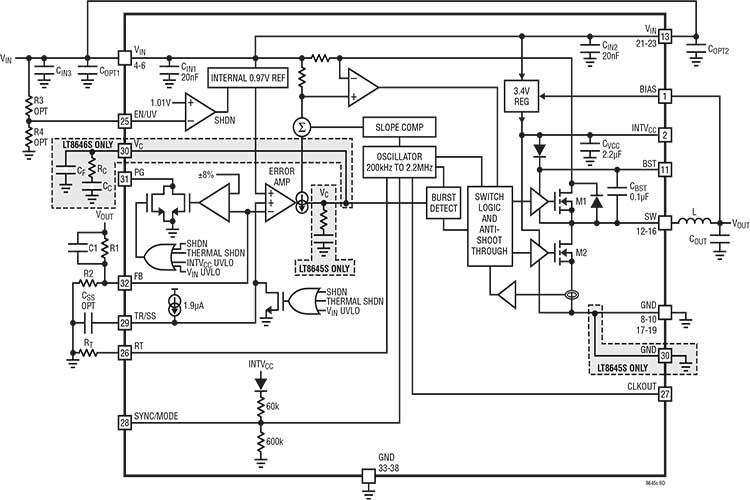
查看详情LT8334RDE#TRPBF是一款集成40V、5A开关的电流模式DC/DC转换器,可在2.8V至40V输入范围内工作。它具有独特的单反馈引脚架构,能够进行升压、SEPIC或反相配置。在极低输出电流下,突发工作模式消耗低至9μA的静态电流以…
查看详情AD7490BCPZ是一款12位高速、低功耗、16通道、逐次逼近型ADC。采用单电源工作,电源电压为2.7 V至5.25 V,最高吞吐量可达1 MSPS。该器件内置一个低噪声、宽带宽采样保持放大器,可处理1 MHz以上的输入频率。转换过程和…
查看详情LT8640EUDC#TRPBF降压型稳压器采用 Silent Switcher 架构,旨在较大限度地减少EMI辐射,同时在高达 3MHz 的频率下提供高效率。该器件具有超低 2.5µA 静态电流,其输出完全处于调节状态,在极小负载电流下支持要求高效…
查看详情LT8641EUDCTRPBF降压型稳压器采用 Silent Switcher 架构,专为较大限度地降低 EMI / EMC辐射并在高达 3MHz 的频率下提供高效率而设计。其单片式结构采用 3mm x 4mm QFN 封装进行组装,内置了集成型电源开关和所有必要…
查看详情LT8646SEV#PBF同步降压稳压器采用第二代超低噪声开关稳压器架构,较大程度地降低了EMI辐射,同时在高开关频率下提供高效率。其中包含集成旁路电容以优化内部所有快速电流环,并通过消除布局敏感性轻松实现宣传的EMI性…
查看详情LT8645SEV#PBF同步降压稳压器采用第二代超低噪声开关稳压器架构,较大程度地降低了EMI辐射,同时在高开关频率下提供高效率。其中包含集成旁路电容以优化内部所有快速电流环,并通过消除布局敏感性轻松实现宣传的EMI性…
查看详情TMC2300-LA-T低压步进电机驱动器专为电池供电、空间和待机功耗关键的驱动应用而设计。其静音驱动技术StealthChop™可为便携式、家用和办公应用提供无干扰的运动控制。该驱动器采用高效功率级,并通过内部电荷泵进行升…
查看详情OP4177ARUZ-REEL由极高精度的单通道、双通道和四通道放大器组成,具有极低失调电压和漂移、低输入偏置电流、低噪声及低功耗等特性。使用1000 pF以上容性负载时输出稳定,无需外部补偿。电源电压为30 V时,每个放大器的…
查看详情LT8614EUDC#TRPBF 是 ADI(原凌力尔特)的 42V 输入、4A 输出同步整流降压稳压器,采用 Silent Switcher 架构,超低 EMI,18 引脚 QFN(3mm×4mm,带裸露焊盘)封装,卷带包装,商用级温度(-40℃~125℃),适合汽车、…
查看详情ADSP-BF607KBCZ-5 是 ADI Blackfin 系列的500MHz 双核嵌入式处理器,商用级(0℃~70℃),349 球 CSP‑BGA(19mm×19mm)封装,主打高吞吐、双核心并行与丰富工业 / 通信外设,适配工业控制、医疗成像、智能网关等需要…
查看详情ADSP-BF706KCPZ-4 是 ADI Blackfin+ 系列的400MHz 定点 / 浮点兼容嵌入式处理器,商用级(0℃~70℃),88 引脚 LFCSP(12mm×12mm 带裸露焊盘)封装,相比 BF707 封装更紧凑、成本更低,主打低功耗、安全加速与丰富外…
查看详情ADSP-BF707KBCZ-4是ADSP-BF70x Blackfin数字信号处理器(DSP)产品系列中的一员。 新款Blackfin+处理器内核将16位双MAC、32位MAC和16位复杂MAC结合为最先进的信号处理引擎。 它还将干净且正交的RISC式微处理器指令集的优…
查看详情ADSP-BF592KCPZ-2 是 ADI Blackfin 系列的200MHz 定点嵌入式 DSP,商用级(0℃~70℃),64 引脚 LFCSP(9mm×9mm 带裸露焊盘)封装,是 ADSP-BF592KCPZ(400MHz)的低主频版本,以更低功耗为核心优势,适配对算力要求…
查看详情ADSP-BF592KCPZ 是 ADI Blackfin 系列的400MHz 定点嵌入式 DSP,商用级温度(0℃~70℃),64 引脚 LFCSP(9mm×9mm)封装,主打低功耗、高集成与外设丰富,适配工业控制、车载影音、智能家居等低成本信号处理场景。关…
查看详情LT8609AIMSE#TRPBF 是一款紧凑、高效且高速的同步单片降压型开关稳压器,当输出稳定在 5V 时,仅消耗 1.7µV 的非开关静态电流。LT8609/LT8609A/LT8609B 可以提供 3A 连续电流。突发模式操作可实现高效率、非常低的输…
查看详情LT8609AIMSE#PBF是一款紧凑、高效且高速的同步单片降压型开关稳压器,当输出稳定在 5V 时,仅消耗 1.7µV 的非开关静态电流。LT8609/LT8609A/LT8609B 可以提供 3A 连续电流。突发模式操作可实现高效率、非常低的输出电…
查看详情ADAU1701JSTZ-RL是一款完整的单芯片音频系统,包含28/56 bit音频DSP、ADC、DAC以及类似微控制器的控制接口。信号处理包括平衡、混音、低音增强、多波段动态处理、延迟补偿以及立体声图像扩展等,可以对现实世界的扬声…
查看详情ADAU1361BCPZ-R7 是 ADI(亚德诺半导体) 推出的一款低功耗、多通道音频编解码器,后缀 -R7 为其标准量产批次标识,不影响芯片核心性能与功能。这款芯片主打高集成度和高保真音频处理,适合车载、智能家居、专业音频设…
查看详情ADAU1761BCPZ-R7 是 ADI 推出的一款低功耗立体声音频编解码器,集成数字音频处理功能,支持 48kHz 录音和回放,适用于智能手机、数码相机等便携设备。它采用 LFCSP-32 封装,工作温度范围 -40°C 至 +85°C,信噪比 9…
查看详情ADAU1761BCPZ 是 ADI(亚德诺半导体) 推出的一款低功耗、高性能的 4 通道音频编解码器,主要面向消费类音频、汽车音频以及专业音频设备场景。核心基本参数封装形式:48 引脚 LFCSP(无引线陶瓷芯片封装),尺寸紧凑,…
查看详情AD9951YSVZ 是一款高性能的直接数字频率合成器(DDS),内置14位DAC,最高工作频率达400 MSPS,支持快速频率跳变和精细调谐,适用于频率合成、时钟生成、测试测量及声光设备驱动等场景。主要特性高速高精度:内部时钟…
查看详情ADAU1761BCPZ-R7产品介绍ADAU1761BCPZ-R7是由ADI(亚德诺半导体)推出的一款低功耗立体声音频编解码器,集成了支持立体声48kHz录音的数字音频处理1.8V模拟电源以14mW的功率播放。立体声音响ADC和DAC也支持8kHz至96kHz的…
查看详情ADAU1361BCPZ-R7产品介绍ADAU1361BCPZ-R7是由ADI(亚德诺半导体)推出的一款低功耗、立体声音频编解码器,支持立体声48 kHz录音和回放,采用1.8 V模拟电源供电,功耗为14 mW。立体声音频ADC和DAC支持8 kHz至96 kHz范围…
查看详情ADS1220IPWR是由德州仪器(TI)推出的一款24位高精度模数转换器(ADC),采用先进的Δ-Σ(Delta-Sigma)调制技术实现超低噪声的信号数字化过程。该芯片采用TSSOP-16小型封装(尺寸5mm×4.4mm×1.2mm),在极小物理空间内集…
查看详情TPS54202DDCR产品介绍TPS54202DDCR是德州仪器(TI)推出的一款高性能同步降压DC-DC转换器芯片,采用SOT-23-6小型封装,专为空间受限应用设计。这款芯片集成了高端和低端MOSFET,能够提供高达2A的连续输出电流,输入电压…
查看详情