新闻资讯

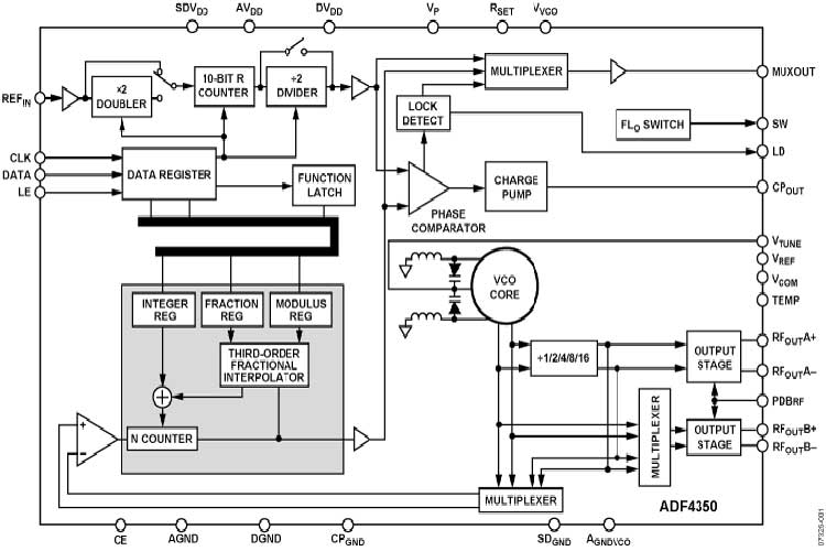
ADF4350BCPZ
ADF4350BCPZ2026-01-23 ADF4350BCPZ
HMC704LP4E
HMC704LP4E2026-01-23 HMC704LP4E
REF192ESZ
REF192ESZ2026-01-23 REF192ESZ
AD8656ARMZ
AD8656ARMZ2026-01-23 AD8656ARMZ
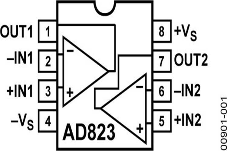
AD823ARZ
AD823ARZ2026-01-23 AD823ARZ
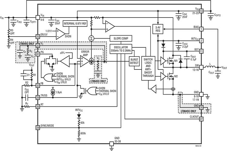
LT8645SIV#PBF
LT8645SIV#PBF2026-01-23 LT8645SIV#PBF
HMC624ALP4E
HMC624ALP4E2026-01-23 HMC624ALP4E
ADM3101EACPZ
ADM3101EACPZ2026-01-23 ADM3101EACPZ
ADG5434BRUZ
ADG5434BRUZ2026-01-23 ADG5434BRUZ
ADG732BSUZ
ADG732BSUZ2026-01-23 ADG732BSUZ
ADR441BRZ
ADR441BRZ2026-01-23 ADR441BRZ
LTM4613IV#PBF
LTM4613IV#PBF2026-01-22 LTM4613IV#PBF